GM Service Manual Online
For 1990-2009 cars only
Makes
🢒
Cadillac
🢒
2000
🢒
Seville
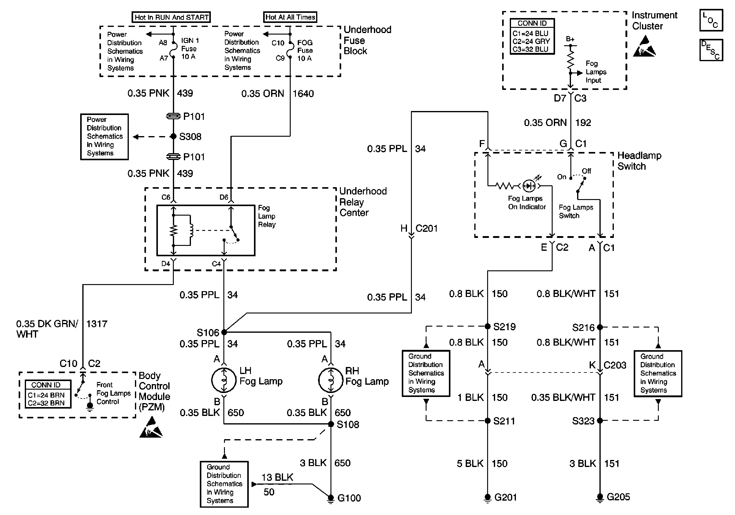
🢒 Fog Lamps
Fog Lamps
Fog Lamps
Lighting Systems Components
Fog Lights Circuit Description
BATT 2 Fuse and Ignition Switch (2 of 2)
LAMPS and IGN 1 Fuses
G100 and G105
G201
G205
ABS and IGN 1 Fuses
Handling ESD Sensitive Parts Notice
Handling ESD Sensitive Parts Notice