GM Service Manual Online
For 1990-2009 cars only
Makes
🢒
Cadillac
🢒
2000
🢒
Seville
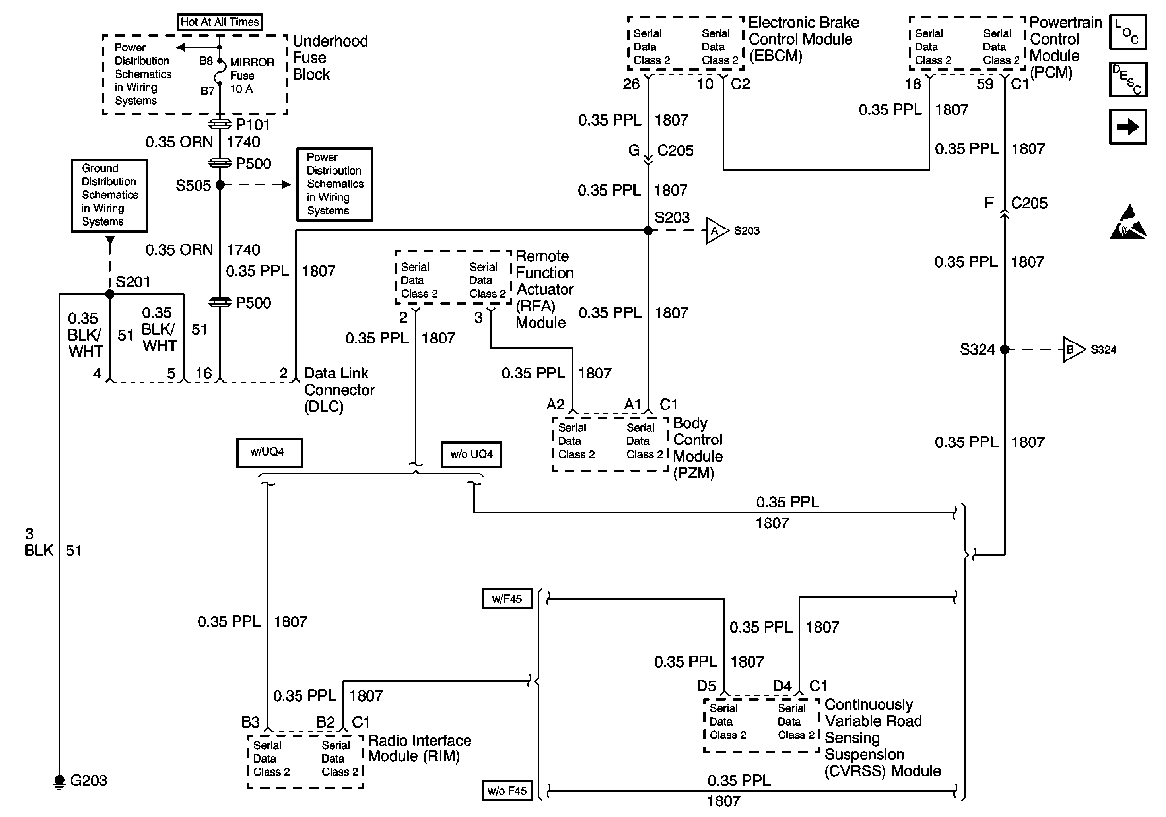
🢒 Power, Ground, and Class 2 (1 of 2)
Power, Ground, and Class 2 (1 of 2)
Power, Ground, and Class 2 (1 of 2)
Data Link Communications Components
Data Link Communications Description
Class 2 (2 of 2)
LAMPS and IGN 1 Fuses
G203
MIRROR, DRL, and FOG Fuses
Class 2 (2 of 2)
Class 2 (2 of 2)
Handling ESD Sensitive Parts Notice