GM Service Manual Online
For 1990-2009 cars only
Makes
🢒
Cadillac
🢒
2000
🢒
Seville
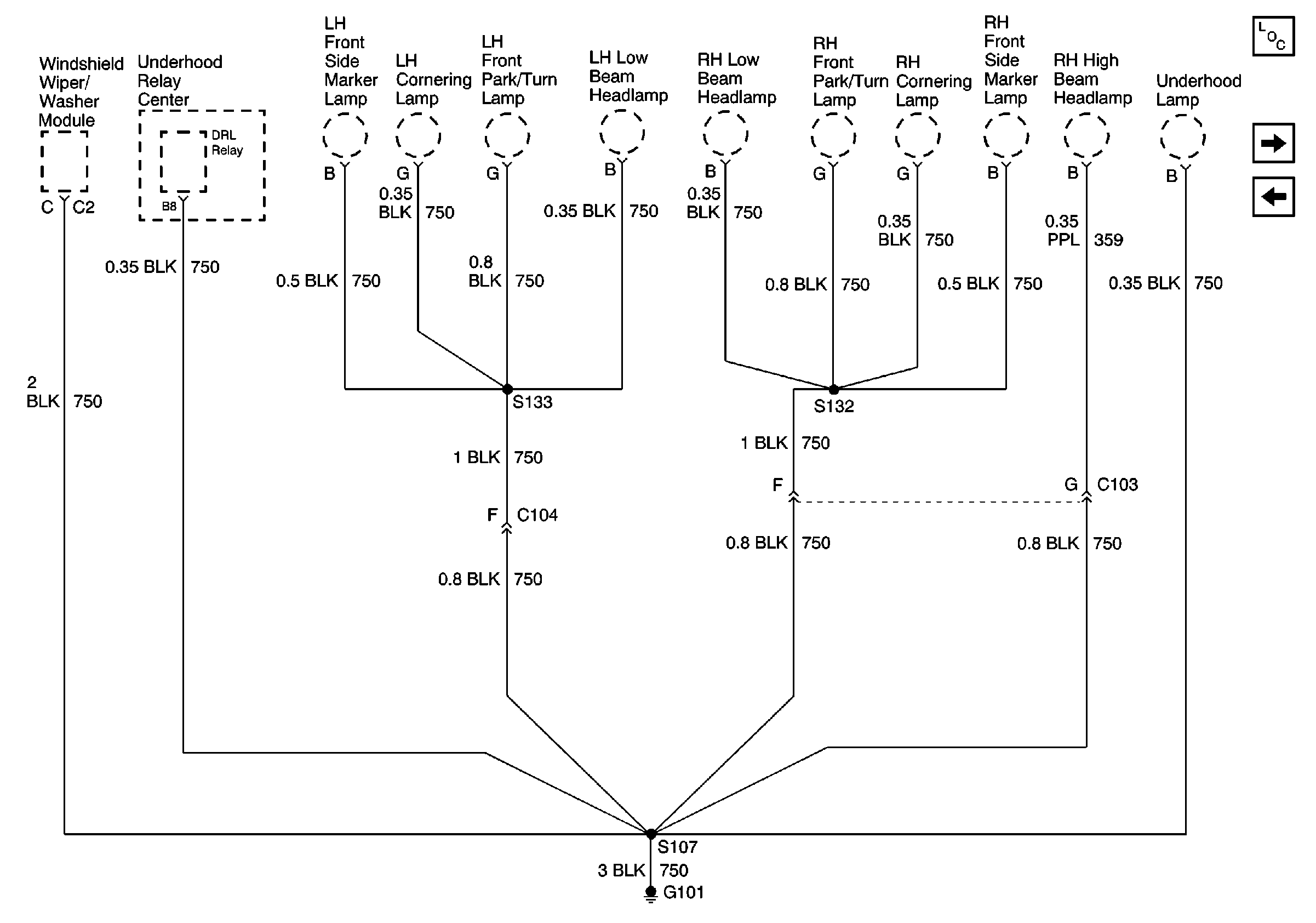
🢒 G101
G101
G101
Power and Grounding Components
G102
G100 and G105