GM Service Manual Online
For 1990-2009 cars only
Makes
🢒
Cadillac
🢒
2000
🢒
Seville
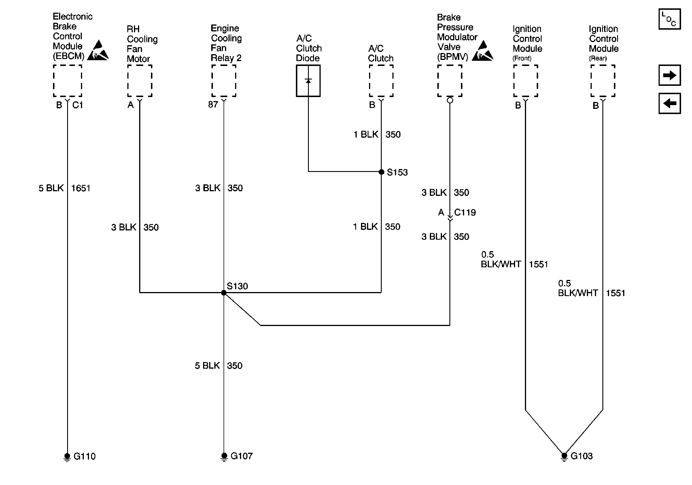
🢒 G103, G107, and G110
G103, G107, and G110
G103, G107, and G110
Power and Grounding Components
G201
G102
Handling ESD Sensitive Parts Notice
Handling ESD Sensitive Parts Notice