GM Service Manual Online
For 1990-2009 cars only

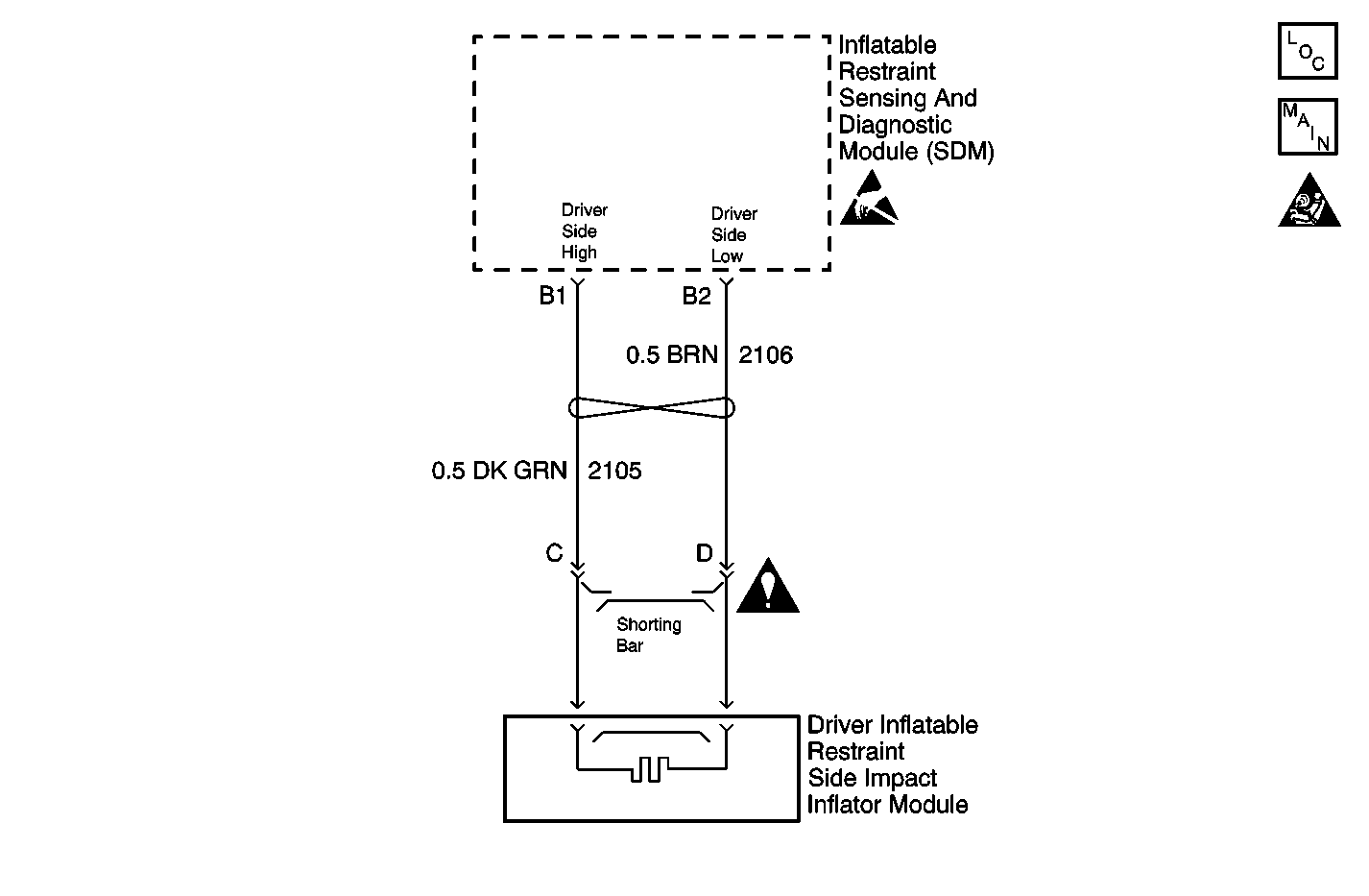
Object Number: 428390  Size: MF
SIR Components
SDM and Side Impact Inflator Modules with Pretensioners
SIR Handling Caution
Handling ESD Sensitive Parts Notice
SIR Schematic Icons

Circuit Description

The LF/driver inflatable restraint side impact inflator module deployment loop is a 2 wire circuit. When you first turn ON the ignition, the inflatable restraint sensing and diagnostic module (SDM) performs tests to diagnose critical malfunctions within itself. Then the SDM performs the following continuous diagnostic tests on the deployment loops:

    • Deployment loop voltage out of range test
    • Deployment loop resistance measurement test

If the voltage out of range test detects a short to voltage condition, the resistance measurement test for that deployment loop will not be performed.

Conditions for Running the DTC

    • Ignition 1 voltage is within the normal operating voltage range.
    • LF side deployment loop is not open.
    • LF side deployment loop is not shorted to voltage.
    • LF side deployment loop is not shorted to ground.

Conditions for Setting the DTC

LF side deployment loop resistance is less than 1.3 ohms for 500 milliseconds.

Action Taken When the DTC Sets

The SDM commands ON the AIR BAG warning lamp via Class 2 serial data.

Conditions for Clearing the DTC

    • The resistance of the LF side deployment loop is at least 1.3 ohms or more for 500 milliseconds.
    • You can issue a CLEAR CODES command
    • A history DTC will clear once 255 malfunction free ignition cycles have occurred

Diagnostic Aids

The following can cause an intermittent condition:

    • A short between the LF side high and the LF side low circuits.
    • A malfunctioning shorting bar on the inflatable restraint side impact inflator module 2-way harness connector.

If any of the above conditions are found refer to Testing for Intermittent Conditions and Poor Connections in Wiring Systems.

Test Description

The number(s) below refer to the step number(s) on the diagnostic table.

  1. This step checks the LF/driver side air bag in-line connector for physical damage.

  2. This step checks to see if there is a malfunctioning LF side air bag module (inflatable restraint side impact module).

  3. This step determines if there is a short between LF side high and low deployment circuits or if there is a malfunctioning SDM.

Step

Action

Value(s)

Yes

No

1

Did you perform the Diagnostic System Check?

--

Go to Step 2

Go to Diagnostic System Check - SIR

2

  1. Turn OFF the ignition.
  2. Disconnect LF/driver inflatable restraint side impact inflator module in-line connector. Located under seat.
  3. Inspect both wiring harness in-line connectors for any of the following conditions:
  4. • Corrosion
    • Terminal damaged
    • Poor connections/terminal tension
  5. If any of the above conditions are found refer to Testing for Intermittent Conditions and Poor Connections in Wiring Systems.

Does connector exhibits any signs of corrosion, terminal damaged, or poor connections?

--

Go to Step 3

Go to Step 4

3

  1. Replace the vehicle wiring harness side of in-line connector. Refer to Connector Repairs in Wiring Systems.
  2. If side air bag wiring harness exhibits any of the above conditions, replace side air bag wiring harness. Refer to Inflatable Restraint Side Impact Module Wiring Harness Replacement .

Did you complete the replacement?

--

Go to Step 10

--

4

  1. Reconnect inflatable restraint side impact inflator module in-line connector.
  2. Verify that the connector position assurance (CPA) is properly installed.
  3. Turn ON the ignition, with the engine OFF.
  4. Use the scan tool to request SIR DTCs displayed.

Does the scan tool indicate that this DTC is current?

--

Go to Step 5

Go to Diagnostic Aids

5

  1. Turn OFF the ignition.
  2. Disconnect in-line connector.
  3. Install the J 38715-A SIR Load Tool to the wiring harness vehicle side of in-line connector. Use appropriate connector adaptors where necessary.
  4. Turn ON the ignition, with the engine OFF.
  5. Use the scan tool to request SIR DTCs displayed.

Does the scan tool indicate that this DTC is current?

--

Go to Step 7

Go to Step 6

6

  1. Turn OFF the ignition.
  2. Replace the inflatable restraint side impact inflator module. Refer to Inflatable Restraint Front Seat Side Impact Inflator Module Replacement for LF side replacement.

Did you complete the replacement?

--

Go to Step 10

--

7

  1. Turn OFF the ignition.
  2. Remove the J 38715-A .
  3. Disconnect the inflatable restraint sensing and diagnostic module (SDM). Refer to Inflatable Restraint Sensing and Diagnostic Module Replacement .
  4. Use the J 39200 DMM and measure the resistance between the LF side high circuit and LF side low circuit on the SDM connector.

Does the resistance measure less than the specified value?

OL

Go to Step 8

Go to Step 9

8

Locate and repair the short between high and low deployment circuits. Refer to Circuit Testing and Wiring Repairs in Wiring Systems.

Did you complete the repair?

--

Go to Step 10

--

9

Replace the SDM. Refer to Inflatable Restraint Sensing and Diagnostic Module Replacement .

Did you complete the replacement?

--

Go to Step 10

--

10

  1. Reconnect all SIR components.
  2. Verify that all components, connectors and CPAs are properly mounted.
  3. Use the scan tool in order to Clear the DTCs.
  4. Operate the vehicle within the Conditions for Running the DTC as specified in the supporting text.

Did you complete the action?

--

Go to Diagnostic System Check - SIR

--