GM Service Manual Online
For 1990-2009 cars only

Object Number: 591663  Size: MF
Tilt Wheel/Column Components
Tilt/Telescoping Steering Column
Handling ESD Sensitive Parts Notice

Circuit Description

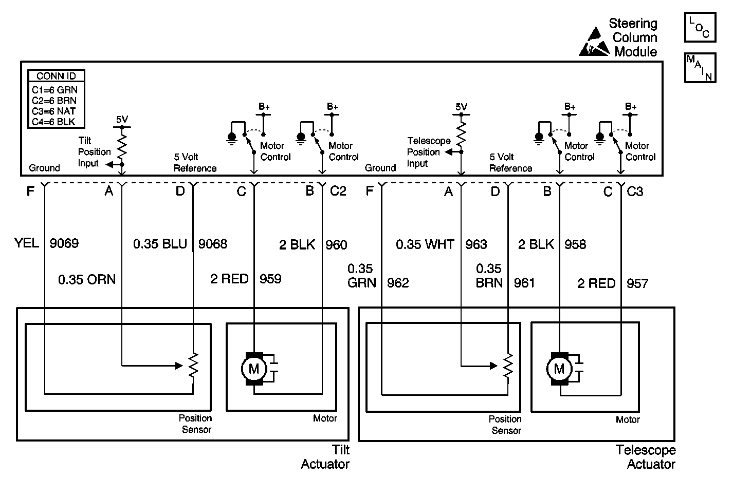
The steering column module determines the position of the steering column based on inputs received from position sensors that are built into the tilt actuator and the telescoping actuator. The steering column module supplies a 5 volt reference and a ground to these sensors and monitors the column position via a tilt position signal circuit and a telescope position signal circuit.

Conditions for Running the DTC

DTC B1327 is not set as current.

Conditions for Setting the DTC

This DTC will set as current when the voltage is greater than 4.8 volts for 2 seconds.

Action Taken When the DTC Sets

The steering column module will not allow the affected motor to work during memory recall and/or easy exit operations. However, the motor will still operate for manual switch positioning.

Conditions for Clearing the DTC

    • This DTC will clear from current status when the voltage is less than 4.8 volts for 2 seconds.
    • Use the ON-Board clearing DTCs feature.
    • Use a scan tool.

Diagnostic Aids

Inspect the steering column for abnormal looseness.

Step

Action

Value(s)

Yes

No

1

Did you perform the Tilt/Telescoping Steering Column Diagnostic System Check?

--

Go to Step 2

Go to Tilt/Telescoping Steering Column Diagnostic System Check

2

  1. Install a scan tool.
  2. Turn ON the ignition, with the engine OFF.
  3. With the scan tool, observe the Telescope Sensor parameter in the Tilt/Telescope Module data list.

Does the scan tool indicate that the Telescope Sensor parameter is less than the specified value?

4.8 volts

Go to Diagnostic Aids

Go to Step 3

3

  1. Turn OFF the ignition.
  2. Disconnect the telescope actuator harness connector from the steering column module.
  3. Connect a 3 amp fused jumper wire between the telescope position signal circuit of the steering column module and a good ground.
  4. Turn ON the ignition, with the engine OFF.
  5. With the scan tool, observe the Telescope Sensor data parameter.

Does the scan tool indicate that the Telescope Sensor parameter is less than the specified value?

0.12 volts

Go to Step 4

Go to Step 6

4

Inspect for poor connections at the harness connector of the telescope actuator. Refer to Testing for Intermittent Conditions and Poor Connections and Connector Repairs in Wiring Systems.

Did you find and correct the condition?

--

Go to Step 7

Go to Step 5

5

Important: Perform the set up procedure for the steering column module.

Replace the telescope actuator. Refer to Telescope Actuator Assembly Replacement - On Vehicle .

Did you complete the replacement?

--

Go to Step 7

--

6

Important: Perform the set up procedure for the steering column module.

Replace the steering column module. Refer to Steering Column Control Module Replacement .

Did you complete the replacement?

--

Go to Step 7

--

7

  1. Use the scan tool in order to clear the DTCs.
  2. Operate the vehicle within the Conditions for Running the DTC as specified in the supporting text.

Does the DTC reset?

--

Go to Step 2

System OK