GM Service Manual Online
For 1990-2009 cars only

Removal Procedure

The Denso SC1 (KG9) generator is serviced as a complete unit only.

  1. Disconnect the battery negative cable. Refer to Battery Negative Cable Disconnection and Connection .
  2. Remove the drive belt. Refer to Drive Belt Replacement in Engine Mechanical-4.6L.
  3. Remove the engine cooling fans. Refer to Engine Cooling Fan Replacement in Engine Cooling.

  4. Object Number: 780408  Size: SH
  5. Disconnect the wiring harness connector from the generator.
  6. Reposition the protective boot from the generator output BAT terminal for access.
  7. Remove the generator output BAT terminal nut and disconnect the positive lead from the generator.

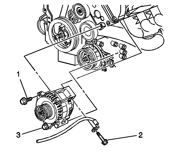
  8. Object Number: 780404  Size: SH
  9. Loosen the lower generator bolt (3).
  10. Remove the generator bolts (1, 2) from the generator.
  11. Remove the generator from the vehicle.

Installation Procedure


    Object Number: 780404  Size: SH
  1. Position the generator to the A/C compressor and engine.
  2. Notice: Use the correct fastener in the correct location. Replacement fasteners must be the correct part number for that application. Fasteners requiring replacement or fasteners requiring the use of thread locking compound or sealant are identified in the service procedure. Do not use paints, lubricants, or corrosion inhibitors on fasteners or fastener joint surfaces unless specified. These coatings affect fastener torque and joint clamping force and may damage the fastener. Use the correct tightening sequence and specifications when installing fasteners in order to avoid damage to parts and systems.

  3. Install the generator mounting bolts (1, 2).
  4. Tighten
    Tighten the generator mounting bolts to 50 N·m (37 lb ft).


    Object Number: 780408  Size: SH
  5. Connect the wiring harness connector to the generator.
  6. Connect the battery positive lead and install the generator output BAT terminal nut.
  7. Tighten
    Tighten the generator output BAT terminal nut to 12.5 N·m (111 lb in).

  8. Press the protective boot on to the generator output BAT terminal.
  9. Install the engine cooling fans. Refer to Engine Cooling Fan Replacement in Engine Cooling.
  10. Install the drive belt. Refer to Drive Belt Replacement in Engine Mechanical-4.6L.
  11. Connect the battery negative cable. Refer to Battery Negative Cable Disconnection and Connection .