GM Service Manual Online
For 1990-2009 cars only

Removal Procedure

Important: 

   • Always use replacement cables that are of the same type, diameter and length of the cables that you are replacing.
   • Always route the replacement cable the same way as the original cable.

  1. Remove the upper filler panel. Refer to Filler Panel Replacement - Upper in Body Front End.

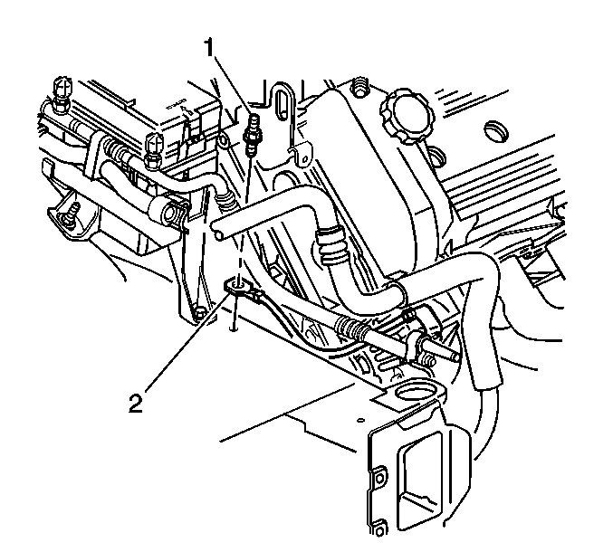
  2. Object Number: 599634  Size: SH
  3. Remove the bolt (1) securing the engine ground cable (2) to the right side body frame rail.
  4. Remove the bolt securing the engine ground cable to the generator.
  5. Remove the engine ground cable from the vehicle.

Installation Procedure

  1. Position the engine ground cable to the engine.
  2. Notice: Use the correct fastener in the correct location. Replacement fasteners must be the correct part number for that application. Fasteners requiring replacement or fasteners requiring the use of thread locking compound or sealant are identified in the service procedure. Do not use paints, lubricants, or corrosion inhibitors on fasteners or fastener joint surfaces unless specified. These coatings affect fastener torque and joint clamping force and may damage the fastener. Use the correct tightening sequence and specifications when installing fasteners in order to avoid damage to parts and systems.

  3. Install the bolt securing the engine ground cable to the generator.
  4. Tighten
    Tighten the generator mounting bolt to 50 N·m (37 lb ft).


    Object Number: 599634  Size: SH
  5. Install the bolt (1) securing the engine ground cable (2) to the right side body frame rail.
  6. Tighten
    Tighten the engine ground cable bolt to 50 N·m (37 lb ft).

  7. Install the upper filler panel. Refer to Filler Panel Replacement - Upper in Body Front End.