GM Service Manual Online
For 1990-2009 cars only

Tools Required

    • J 41623-B Cooler Quick Connect Tool
    • J 41160 Transmission Jack Adapter

Removal Procedure

  1. Remove the upper filler panel. Refer to Filler Panel Replacement - Upper in Body Front End.
  2. Remove the upper and lower air cleaner assemblies. Refer to Air Cleaner Assembly Replacement in Engine Controls - 4.6L.

  3. Object Number: 820397  Size: SH
  4. Disconnect the range selector cable terminal from the transaxle range selector lever.
  5. Remove the nuts securing both the range selector cable bracket and heater pipe to the transaxle. Position the range selector cable bracket and heater pipe aside.
  6. Remove the Magnasteer wire from the retaining clip.
  7. Disconnect the master cylinder brake pipe retainers from the side rail.
  8. Important: Supporting the brake pipes above the body side rail is necessary while removing the transaxle in order to prevent pinching of the brake pipes.

  9. Remove the brake pipe retainers from the side rail and using mechanics wire, support the brake pipes above the side rail.

  10. Object Number: 820391  Size: SH
  11. Reposition the main wiring harness to gain access to the upper transaxle to engine bolts (1).
  12. Remove the transaxle to engine bolts (1). The remaining bolt (2) will temporally retain the transaxle and will be removed from the underside of the vehicle.
  13. Place a drain pan under the vehicle.

  14. Object Number: 566627  Size: SH
  15. Remove the upper transaxle oil cooler pipe retaining bolt from the radiator fan shroud.
  16. Disconnect the upper transaxle oil cooler pipe from the radiator using the J 41623-B . Install plugs in the oil cooler pipe and the radiator to prevent fluid loss and contamination.

  17. Object Number: 627386  Size: SH
  18. Disconnect the lower transaxle oil cooler pipe from the transaxle and Install plugs in the oil cooler pipe and the transaxle to prevent fluid loss and contamination. Refer to Cooler Pipe Replacement .
  19. Disconnect the transaxle vent tube from the accelerator bracket.
  20. Install the engine support fixture. Refer to Engine Support Fixture in Engine Mechanical - 4.6L.
  21. Raise and support the vehicle. Refer to Lifting and Jacking the Vehicle in General Information.
  22. Caution: To avoid any vehicle damage, serious personal injury or death when major components are removed from the vehicle and the vehicle is supported by a hoist, support the vehicle with jack stands at the opposite end from which the components are being removed and strap the vehicle to the hoist.

  23. Secure the vehicle to the front hoist pads.
  24. Remove the stabilizer shaft links. Refer to Stabilizer Shaft Link Replacement in Front Suspension.
  25. Swing the stabilizer shaft downward in order to gain access to the power steering gear retaining bolts.
  26. Remove the left front fascia extension. Refer to Front Bumper Fascia Extension Replacement in Body Front End.
  27. Important: The following are exceptions while following the frame removal procedure:

       • Do not remove the front stabilizer shaft from the frame.
       • Do not remove the A.I.R pump assembly from the vehicle. Retain the pump to the body using mechanics wire.
       • Do not remove the insulators from the frame.
       • Do not remove the control arms from the frame.

  28. Remove the front frame. Refer to Front Frame Replacement in Frame and Underbody.

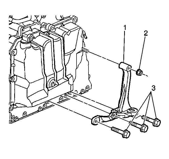
  29. Object Number: 820394  Size: SH
  30. Remove the bolt securing the left transaxle brace to the transaxle.
  31. Loosen the nut securing the left transaxle brace to the engine.
  32. Remove the left transaxle brace from the powertrain assembly.

  33. Object Number: 627341  Size: SH
  34. Remove the 3 ground connections from the side of the transaxle.
  35. Disconnect the transaxle main electrical harness connector.

  36. Object Number: 588757  Size: SH
  37. Remove the bolt (2) securing the front transaxle brace (1) to the transaxle.
  38. Remove the nut securing the secondary AIR pipe to the transaxle.

  39. Object Number: 694213  Size: SH
  40. Remove the nuts (2, 3) securing the vehicle speed sensor heat shield (1) to the transaxle.
  41. Remove the vehicle speed sensor heat shield (1) from the vehicle.
  42. Disconnect the vehicle speed sensor electrical connector.

  43. Object Number: 820533  Size: SH
  44. Remove only the bolts securing the front transaxle brace to the transaxle.

  45. Object Number: 820532  Size: SH
  46. Remove only the bolts securing the center transaxle brace to the transaxle.

  47. Object Number: 189013  Size: SH
  48. Disengage the right and left drive shafts (2) from the transaxle (1). The drive shafts do not have to be removed from the wheels. Refer to Wheel Drive Shaft Replacement in Wheel Drive Shafts.
  49. Using mechanics wire, support the wheel drive shafts out of the way by tying them up to the strut spring.
  50. Remove the torque converter cover. Refer to Torque Converter Cover Replacement .

  51. Object Number: 166594  Size: SH

    Important: Mark the flywheel to torque converter position so that they can be assembled in the same position.

  52. Remove the flywheel to torque converter bolts.
  53. Position the power steering gear pressure hose to the right side of the vehicle in order to clear the transaxle during removal.
  54. Support the transaxle using the J 41160 and a suitable transmission jack.
  55. Secure the J 41160 to the transaxle.

  56. Object Number: 521892  Size: SH
  57. Remove the nut (1) securing the left transaxle mount to the left transaxle mount bracket.

  58. Object Number: 820391  Size: SH
  59. Remove the remaining transaxle to engine bolt (2).
  60. Separate the transaxle from the engine.
  61. Tilt the transaxle using the support jack enough to allow clearance for the starter nose cone.
  62. Important: Ensure clearance is maintained between the transaxle and the following:

       • The brake pipes
       • The secondary AIR pipe
       • The power steering pressure hose
       • The wiring harnesses

  63. Carefully lower the transaxle from the vehicle.
  64. Flush the transmission oil cooler and pipes. Refer to Transmission Fluid Cooler Flushing and Flow Test .
  65. Remove the transaxle cooler pipe, refer to Cooler Pipe Replacement

  66. Object Number: 154970  Size: SH
  67. Remove the transmission mount bracket mounting bolts (3) and nut (2).
  68. Remove the transmission mount bracket (1).

  69. Object Number: 793606  Size: SH
  70. Remove the transmission mount bracket mounting bolts.
  71. Remove the transmission mount bracket.

Installation Procedure

    Notice: Refer to Fastener Notice in the Preface section.


    Object Number: 793606  Size: SH
  1. Install the transmission mount bracket and mounting bolts to the engine.
  2. Tighten
    Tighten the bolts to 110 N·m (89 lb ft).


    Object Number: 154970  Size: SH
  3. Install the transmission mount bracket (1) to the transmission.
  4. Install the transmission mount bracket mounting bolts (3) and nut (2).
  5. Tighten
    Tighten the bolts and nut to 50 N·m (37 lb ft).

  6. Install the transaxle cooler pipe, refer to Cooler Pipe Replacement .
  7. Important: Ensure clearance is maintained between the transaxle and the following:

       • The brake pipes
       • The secondary AIR pipe
       • The power steering pressure hose
       • The wiring harnesses

  8. Carefully raise the transaxle to the engine in a tilted position in order to clear the starter nose cone.

  9. Object Number: 820391  Size: SH
  10. Align the transaxle with the engine and position the transaxle onto the engine dowels.
  11. Install the engine to transaxle bolt (2).

    Tighten
    Tighten the bolt to 75 N·m (55 Ib ft).


    Object Number: 627402  Size: SH
  12. Connect the vehicle speed sensor electrical connector.
  13. Install the engine to transaxle center brace and heat shield. Refer to Transmission Brace Replacement .

  14. Object Number: 820533  Size: SH
  15. Install the bolts securing the front transaxle brace to the transaxle.
  16. Tighten
    Tighten the bolts to 50 N·m (37 Ib ft).


    Object Number: 521892  Size: SH
  17. Raise the transaxle and install the nut (1) securing the transaxle mount to the transaxle mount bracket.
  18. Tighten
    Tighten the nut to 75 N·m (55 Ib ft).

  19. Remove the transmission jack and the J 41160 .

  20. Object Number: 166594  Size: SH

    Important: Line up the flywheel and converter using the alignment marks made during disassembly.

  21. Install the flywheel to converter bolts.
  22. Tighten
    Tighten the bolts to 60 N·m (44 Ib ft).

  23. Install the torque converter cover assembly. Refer to Torque Converter Cover Replacement .

  24. Object Number: 154965  Size: SH
  25. Install the engine to transaxle bracket lower bolt (1).
  26. Tighten
    Tighten the bolt to 50 N·m (37 Ib ft).


    Object Number: 189013  Size: SH
  27. Install the right and left drive shafts (2) to the transaxle (1). Refer to Wheel Drive Shaft Replacement in Wheel Drive Shafts.

  28. Object Number: 627341  Size: SH
  29. Install the 3 ground connections to the side of the transaxle.
  30. Tighten
    Tighten the bolts to 50 N·m (37 Ib ft).

  31. Connect the transaxle main electrical harness connector.

  32. Object Number: 820394  Size: SH
  33. Install the left transaxle brace to the powertrain assembly.
  34. Install the bolt securing the left transaxle brace to the transaxle.
  35. Tighten
    Tighten the left transaxle brace bolt to 50 N·m (37 Ib ft).

    Tighten
    Tighten the left transaxle brace nut to 41 N·m (30 Ib ft).

  36. Install the front frame assembly to the vehicle. Refer to Front Frame Replacement in Frame and Underbody.
  37. Install the left front fascia extension. Refer to Front Bumper Fascia Extension Replacement in Body Front End.
  38. Install the stabilizer shaft links. Refer to Stabilizer Shaft Link Replacement in Front Suspension.
  39. Lower the vehicle.

  40. Object Number: 627386  Size: SH
  41. Connect the lower transaxle oil cooler pipe to the transaxle. Refer to Cooler Pipe Replacement .

  42. Object Number: 566627  Size: SH
  43. Install the upper transaxle oil cooler pipe to the radiator. Refer to Cooler Pipe Replacement .

  44. Object Number: 820391  Size: SH
  45. Install the remaining transaxle to engine bolts (1).
  46. Tighten
    Tighten the bolts to 75 N·m (55 Ib ft).

  47. Remove the engine support fixture. Refer to Engine Support Fixture in Engine Mechanical - 4.6L.

  48. Object Number: 820397  Size: SH
  49. Install the range selector cable bracket to the studs on the transaxle.
  50. Install the heater pipe to the stud on the transaxle.
  51. Install the nuts that retain the heater pipe and the range selector cable bracket to the transaxle.
  52. Tighten
    Tighten the nuts to 25 N·m (18 Ib ft).

  53. Connect the range selector cable terminal to the transaxle range selector lever.
  54. Install the Magnasteer wire to the retaining clip.
  55. Connect the transaxle vent tube to the accelerator bracket.
  56. Install the brake pipe retainers to the side rail.
  57. Install the upper and lower air cleaner assemblies. Refer to Air Cleaner Assembly Replacement in Engine Controls - 4.6L.
  58. Install the upper filler panel (1). Refer to Filler Panel Replacement - Upper in Body Front End.
  59. Add DEXRON® VI transmission fluid as required. Refer to Fluid Capacity Specifications and Transmission Fluid Check .
  60. Important: It is recommended that transmission adaptive pressure (TAP) information be reset.

    Resetting the TAP values using a scan tool will erase all learned values in all cells. As a result, The ECM, PCM or TCM will need to relearn TAP values. Transmission performance may be affected as new TAP values are learned.

  61. Reset the TAP values. Refer to Adapt Function .
  62. Measure the wheel alignment. Refer to Wheel Alignment Measurement in Wheel Alignment.
  63. Road test the vehicle and check for transaxle leaks.