GM Service Manual Online
For 1990-2009 cars only

Removal Procedure

    Notice: 

       • Remove the fuel rail assembly carefully in order to prevent damage to the injector electrical connector terminals and the injector spray tips. Support the fuel rail after the fuel rail is removed in order to avoid damaging the fuel rail components.
       • Cap the fittings and plug the holes when servicing the fuel system in order to prevent dirt and other contaminants from entering open pipes and passages.

  1. Relieve the fuel system pressure. Refer to the Fuel Pressure Relief .
  2. Clean the fuel rail assembly with a spray type engine cleaner, GM X-30A or equivalent, if necessary. Follow the package instructions. Do not soak the fuel rail in liquid cleaning solvent.

  3. Object Number: 575657  Size: SH
  4. Disconnect the fuel feed and return pipes (2,3) from the fuel rail. Refer to Metal Collar Quick Connect Fitting Service .

  5. Object Number: 522641  Size: SH
  6. Disconnect the fuel pressure regulator vacuum hose.

  7. Object Number: 522644  Size: SH
  8. Disconnect the positive crankcase ventilation (PCV) air tube from the cam cover.

  9. Object Number: 490597  Size: SH
  10. Disconnect the PCV valve (1) from the cam cover.

  11. Object Number: 522654  Size: SH
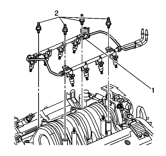
  12. Remove the fuel rail bracket retainer nut.

  13. Object Number: 490817  Size: SH
  14. Disconnect the fuel injector electrical connectors (1) from each fuel injector (2).
  15. Lay the harness aside.

  16. Object Number: 576198  Size: SH
  17. Remove the engine wiring harness from the fuel rail studs.
  18. Remove the fuel rail attaching studs (2).
  19. Remove the fuel rail (1).
  20. Remove the injector lower O-ring seal from the spray tip end of each injector.
  21. Discard the O-ring seals.
  22. If replacing the fuel rail, remove the fuel injectors. Refer to Fuel Injector Replacement .

Disassembly Procedure


    Object Number: 682635  Size: SH
  1. Remove the fuel injectors (5). Refer to Fuel Injector Replacement .
  2. Remove the fuel pressure regulator (10). Refer to Fuel Pressure Regulator Replacement
  3. .

Assembly Procedure


    Object Number: 682635  Size: SH
  1. Install the fuel pressure regulator (10). Refer to Fuel Pressure Regulator Replacement .
  2. Install the fuel injectors (5). Refer to Fuel Injector Replacement .

Installation Procedure

    Notice: 

       • Use care when servicing the fuel system components, especially the fuel injector electrical connectors, the fuel injector tips, and the injector O-rings. Plug the inlet and the outlet ports of the fuel rail in order to prevent contamination.
       • Do not use compressed air to clean the fuel rail assembly as this may damage the fuel rail components.
       • Do not immerse the fuel rail assembly in a solvent bath in order to prevent damage to the fuel rail assembly.


    Object Number: 576198  Size: SH
  1. Lubricate the new lower injector O-ring seals with clean engine oil.
  2. If replacing the fuel rail, install the fuel injectors. Refer to Fuel Injector Replacement .
  3. Install the new O-ring seals on the spray tip end of each injector.
  4. Install the fuel rail (1).
  5. Notice: Use the correct fastener in the correct location. Replacement fasteners must be the correct part number for that application. Fasteners requiring replacement or fasteners requiring the use of thread locking compound or sealant are identified in the service procedure. Do not use paints, lubricants, or corrosion inhibitors on fasteners or fastener joint surfaces unless specified. These coatings affect fastener torque and joint clamping force and may damage the fastener. Use the correct tightening sequence and specifications when installing fasteners in order to avoid damage to parts and systems.

  6. Install the fuel rail attaching studs (2).
  7. Tighten
    Tighten the studs to 10 N·m (89 lb in).


    Object Number: 490817  Size: SH
  8. Connect the fuel injector electrical connectors (1) to each fuel injector (2).

  9. Object Number: 522654  Size: SH
  10. Install the fuel rail bracket retainer nut.
  11. Tighten
    Tighten the nut to 10 N·m (89 lb in).


    Object Number: 490597  Size: SH
  12. Install the positive crankcase ventilation (PCV) valve (1) to the cam cover.
  13. Install the coolant surge tank inlet pipe. Refer to Radiator Surge Tank Inlet Hose Replacement in Engine Cooling.

  14. Object Number: 522644  Size: SH
  15. Install the PCV air tube to the cam cover.

  16. Object Number: 522641  Size: SH
  17. Connect the fuel pressure regulator vacuum hose.

  18. Object Number: 575657  Size: SH
  19. Connect the fuel feed and return pipes (2, 3) to the fuel rail. Refer to Metal Collar Quick Connect Fitting Service .
  20. Connect the negative battery cable. Refer to Battery Negative Cable Disconnection and Connection in Engine Electrical.
  21. Inspect for fuel leaks.
  22. 14.1. Turn ON the ignition for 2 seconds.
    14.2. Turn OFF the ignition for 10 seconds.
    14.3. Turn ON the ignition.
    14.4. Inspect for fuel leaks.
  23. Install the fuel injector sight shield. Refer to Fuel Injector Sight Shield Replacement in Engine Mechanical.