GM Service Manual Online
For 1990-2009 cars only

Removal Procedure


    Object Number: 614282  Size: SH
  1. Relieve the fuel system pressure. Refer to the Fuel Pressure Relief .
  2. Drain the fuel tank. Refer to Fuel Tank Draining .
  3. Raise the vehicle. Refer to Lifting and Jacking the Vehicle in General Information.
  4. Remove the wheel house filler pipe opening cover (2).
  5. Disconnect the fuel fill hose from the fuel fill pipe.
  6. Remove the rear suspension support assembly. Refer to Support Replacement in Rear Suspension.

  7. Object Number: 483018  Size: SH
  8. Disconnect the fuel feed pipe (4) and the fuel return pipe (1). Refer to Plastic Collar Quick Connect Fitting Service .

  9. Object Number: 104621  Size: SH
  10. Disconnect the evaporative emission (EVAP) pipe (2) from the EVAP canister.

  11. Object Number: 684413  Size: SH
  12. Remove the fuel and EVAP pipes retainer from the frame.

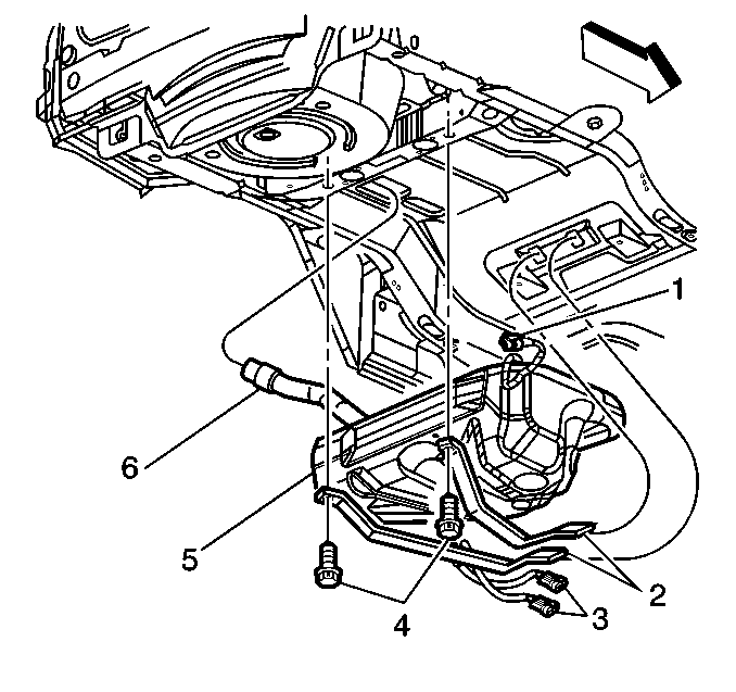
  13. Object Number: 684415  Size: SH
  14. Disconnect the fuel tank electrical connector.
  15. Disconnect the fuel tank electrical harness from the retainers.

  16. Object Number: 104646  Size: SH
  17. Remove the fuel tank strap bolts (4).
  18. Remove the fuel tank (5).

Disassemble Procedure


    Object Number: 681724  Size: SH
  1. If the fuel tank is not being replaced refer to the Installation Procedure.
  2. Remove the fuel pipes (2, 3) and the EVAP pipe (1).
  3. Remove the fuel sender assembly. Refer to Fuel Sender Assembly Replacement .

  4. Object Number: 104599  Size: SH
  5. Remove the fuel filler hose clamp (2).
  6. Remove the fuel filler hose from the fuel tank (3).

Assemble Procedure


    Object Number: 104599  Size: SH
  1. Install the fuel filler hose to the fuel tank (3). Align the dot on the hose to the parting line on the fuel tank.
  2. Notice: Use the correct fastener in the correct location. Replacement fasteners must be the correct part number for that application. Fasteners requiring replacement or fasteners requiring the use of thread locking compound or sealant are identified in the service procedure. Do not use paints, lubricants, or corrosion inhibitors on fasteners or fastener joint surfaces unless specified. These coatings affect fastener torque and joint clamping force and may damage the fastener. Use the correct tightening sequence and specifications when installing fasteners in order to avoid damage to parts and systems.

  3. Install the fuel filler hose clamp (2).
  4. Tighten
    Tighten the clamp to 4.2 N·m (37 lb in).


    Object Number: 681724  Size: SH
  5. Install the fuel sender assembly. Refer to Fuel Sender Assembly Replacement .
  6. Install the fuel pipes (2, 3) and the EVAP pipe (1).

Installation Procedure


    Object Number: 104646  Size: SH
  1. Position and support the fuel tank (5) with the aid of an assistant.
  2. Notice: Use the correct fastener in the correct location. Replacement fasteners must be the correct part number for that application. Fasteners requiring replacement or fasteners requiring the use of thread locking compound or sealant are identified in the service procedure. Do not use paints, lubricants, or corrosion inhibitors on fasteners or fastener joint surfaces unless specified. These coatings affect fastener torque and joint clamping force and may damage the fastener. Use the correct tightening sequence and specifications when installing fasteners in order to avoid damage to parts and systems.

  3. Install the fuel tank straps (2).
  4. Install the fuel tank strap bolts (4).
  5. Tighten
    Tighten the fuel tank strap bolts to 46 N·m (34 lb ft).


    Object Number: 684415  Size: SH
  6. Connect the fuel tank electrical connector.
  7. Install the fuel tank electrical harness into the retainers.

  8. Object Number: 684413  Size: SH
  9. Install the fuel and EVAP pipes retainer to the frame.

  10. Object Number: 104621  Size: SH
  11. Connect the EVAP pipe (2) to the EVAP canister.

  12. Object Number: 483018  Size: SH
  13. Connect the fuel feed pipe (4) and the fuel return pipe (1). Refer to Plastic Collar Quick Connect Fitting Service .

  14. Object Number: 614282  Size: SH
  15. Install the rear suspension support assembly. Refer to Support Replacement in Rear Suspension.
  16. Connect the fuel filler hose to the fuel filler pipe.
  17. Tighten
    Tighten the clamp to 4.2 N·m (37 lb in).

  18. Install the wheelhouse filler pipe opening cover (2).
  19. Lower the vehicle.
  20. Add fuel to the fuel tank.
  21. Install the fuel tank filler pipe cap.
  22. Connect the negative battery cable. Refer to Battery Negative Cable Disconnection and Connection in Engine Electrical.
  23. Inspect for leaks.
  24. 16.1. Turn ON the ignition for 2 seconds.
    16.2. Turn OFF the ignition OFF for 10 seconds.
    16.3. Turn ON the ignition.
    16.4. Inspect for fuel leaks.
  25. Install the fuel injector sight shield. Refer to Fuel Injector Sight Shield Replacement in Engine Mechanical.