GM Service Manual Online
For 1990-2009 cars only
Figure 1:

MAP, IAC, ECT, TP Sensors


Object Number: 602335  Size: SH
(1)Manifold Absolute Pressure (MAP) Sensor
(2)Idle Air Control (IAC) Valve
(3)Engine Coolant Temperature (ECT) Sensor
(4)Throttle Position (TP) Sensor
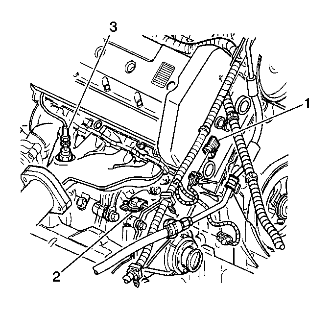
Figure 2:

EVAP Purge Solenoid, and EGR Valve


Object Number: 602336  Size: SH
(1)Evaporative Emissions (EVAP) Canister Purge Solenoid
(2)Exhaust Gas Recirculation (EGR) Valve
Figure 3:

CKP B, CKP A, Engine Oil Pressure Switch, and Engine Oil Level Switch


Object Number: 602338  Size: SH
(1)Crankshaft Position Sensor (CKP) Sensor B
(2)Crankshaft Position Sensor (CKP) Sensor A
(3)Engine Oil Pressure (EOP) Switch
(4)Engine Oil Level Switch
Figure 4:

Ignition Control Module (ICM) Bank 2


Object Number: 602330  Size: SH
Figure 5:

Ignition Control Module (ICM) Bank 1


Object Number: 602329  Size: SH
Figure 6:

CMP, VSS, and HO2S Bank 1 Sensor 1


Object Number: 602339  Size: SH
(1)Camshaft Position (CMP) Sensor
(2)Vehicle Speed Sensor (VSS)
(3)Heated Oxygen Sensor (HO2S) Bank 1 Sensor 1
Figure 7:

Heated Oxygen Sensor (HO2S) Bank 1 Sensor 2 (Post HO2)


Object Number: 602294  Size: SH
Figure 8:

Heated Oxygen Sensor (HO2S) Bank 2 Sensor 1 (Front HO2)


Object Number: 602295  Size: SH
Figure 9:

Knock Sensor (KS)


Object Number: 602292  Size: SH
Figure 10:

AIR Relay


Object Number: 736521  Size: SH
(1)Secondary Air Injection (AIR) Pump Relay
Figure 11:

Rear AIR Check Valve


Object Number: 602315  Size: MH
(1)Rear AIR Check Valve
(2)AIR Exhaust Hose to AIR Check Valve
(3)AIR Exhaust Hose to AIR Check Valve RetainingNnuts
(4)AIR Exhaust Pipe to AIR Check Valve Retaining Nuts
(5)AIR Check Valve to Exhaust Manifold Pipe
Figure 12:

AIR Vacuum Routing


Object Number: 602313  Size: MH
(1)AIR Vacuum Source Hose
(2)AIR Vacuum Source Connection
(3)Control Vacuum to the Front AIR Check Valve
Figure 13:

AIR Vacuum Control Solenoid and Vacuum Connections


Object Number: 602311  Size: MH
(1)Control Vacuum to Front AIR Check Valve
(2)Control Vacuum to Rear AIR Check Valve
(3)AIR Vacuum Control Solenoid
(4)AIR Source Vacuum Hose
Figure 14:

Left AIR Pump and Electrical Connector


Object Number: 602320  Size: SH
Figure 15:

Left AIR Exhaust Hose and Front AIR Check Valve


Object Number: 602321  Size: SH
Figure 16:

Left AIR Inlet Hose to AIR Pump


Object Number: 602322  Size: MH
(1)Left AIR Inlet Hose
(2)Left AIR Pump Retaining nuts
(3)Left AIR Inlet Filter
Figure 17:

Front AIR Check Valve to Exhaust Manifold


Object Number: 602323  Size: SH
(1)Front AIR Check Valve to Exhaust Pipe Retaining Nuts
(2)Front AIR Check Valve
(3)Front AIR Check Valve Bracket Retaining Bolt
(4)Front AIR Check Valve Bracket Retaining Nuts
(5)AIR Exhaust Pipe to Exhaust Manifold Retaining Nuts
(6)Exhaust Manifold
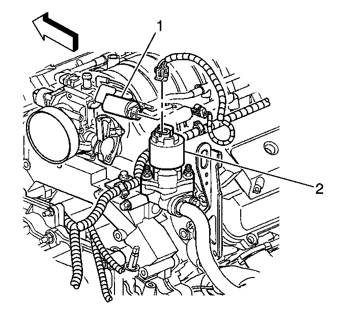
Figure 18:

IAC Valve and TP Sensor


Object Number: 574138  Size: SH
(1)Idle Air Control (IAC) Valve Electrical Connector
(2)Throttle Position (TP) Sensor Electrical Connector
(3)Throttle Position (TP) Sensor
(4)Idle Air Control (IAC) Valve
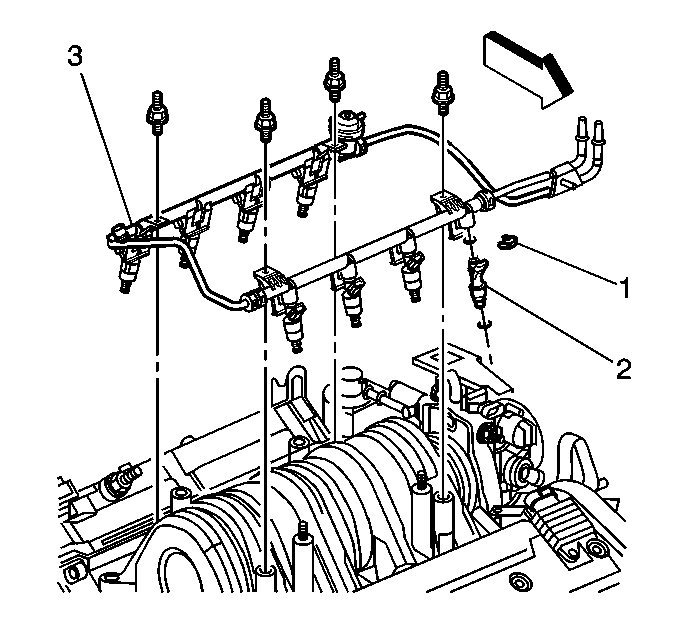
Figure 19:

Fuel Rail Assembly


Object Number: 597227  Size: SH
(1)Fuel Injector Retaining Clip
(2)Fuel Injector
(3)Fuel Rail Assembly
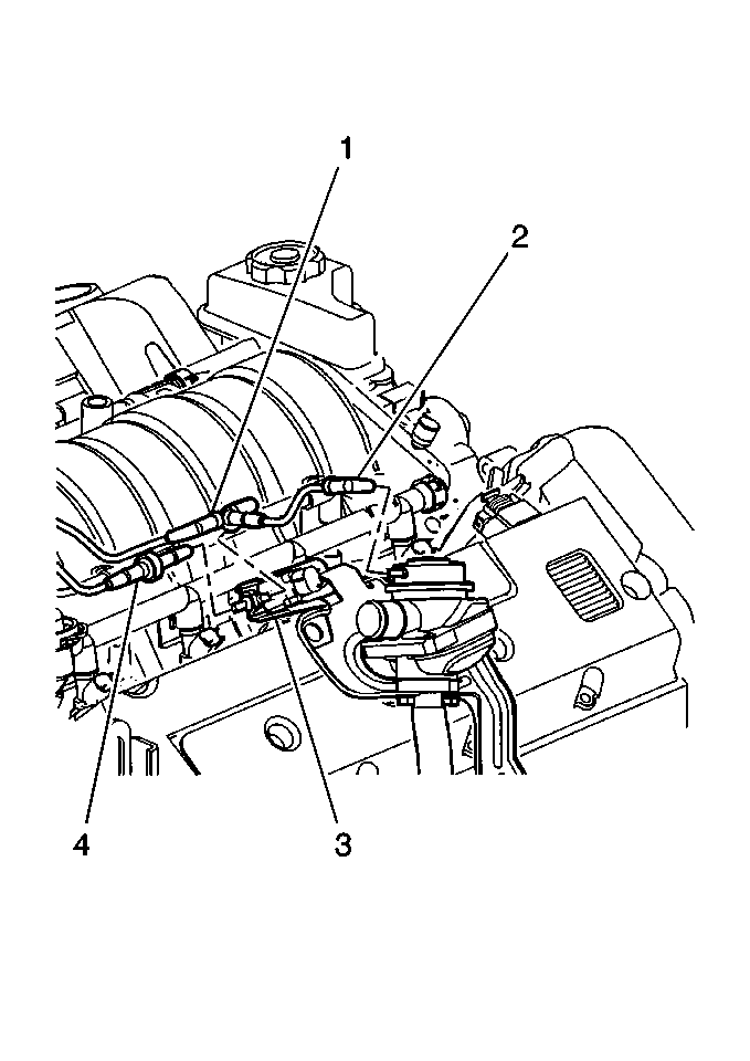
Figure 20:

Fuel Lines


Object Number: 575657  Size: SH
(1)Fuel Line Retainer Strap
(2)Fuel Return Line
(3)Fuel Feed Line
(4)EVAP Purge Pipe
Figure 21:

EVAP Vent Solenoid


Object Number: 342059  Size: SF
(1)Retainer
(2)Fresh Air Line
(3)Bolt
(4)Evaporative Emissions (EVAP) Canister Vent Solenoid
(5)Evaporative Emissions (EVAP) Canister Vent Solenoid Electrical Connector
Figure 22:

Fuel Tank Pressure Sensor


Object Number: 342178  Size: SF
(1)Fuel Pump and Sender Assembly Access Panel
(2)Fuel Pump and Sender Assembly
(3)Fuel Tank Pressure (FTP) Sensor