GM Service Manual Online
For 1990-2009 cars only
Makes
🢒
Cadillac
🢒
2001
🢒
Seville
🢒
Suspension
🢒
Automatic Level Control
🢒 Automatic Level Control Schematics
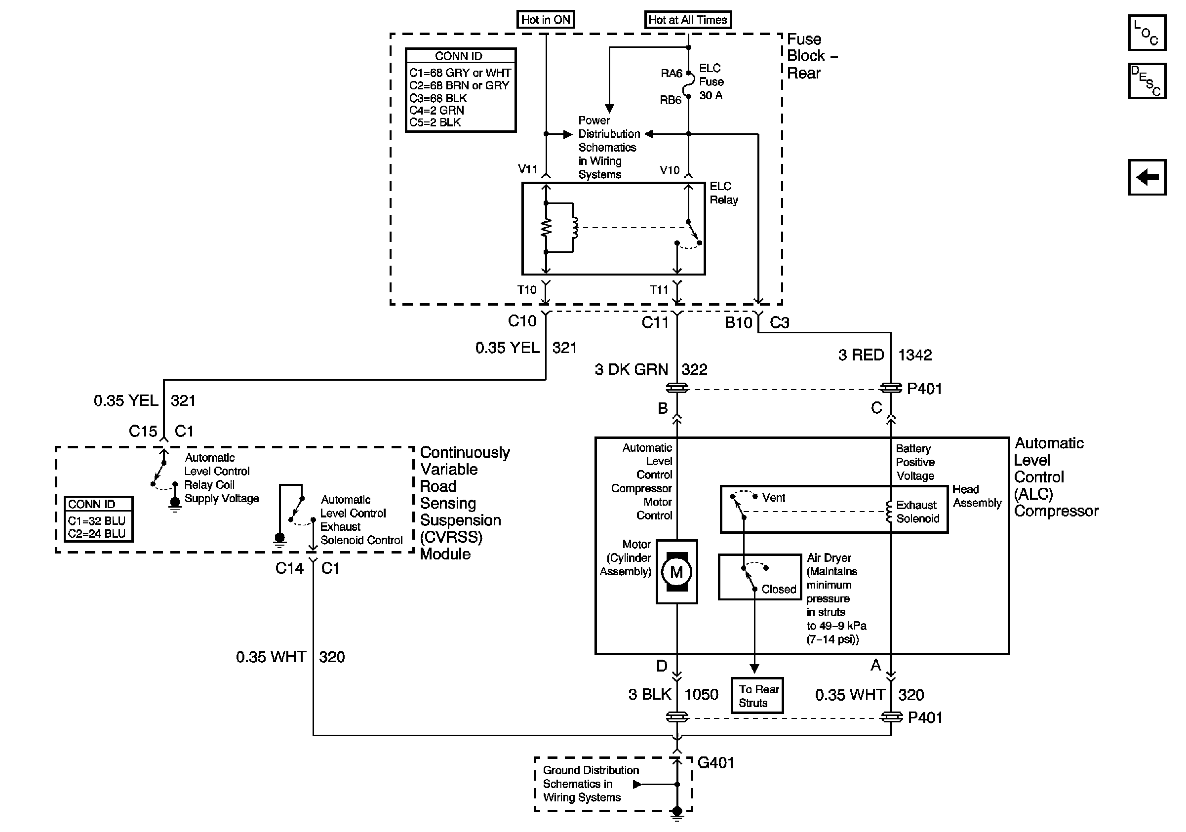
Figure
1:
Automatic Level Control (Without F45)
Automatic Level Control (With F45)
Automatic Level Control Component Views
Automatic Level Control Description and Operation wo/F45
Battery Feeds
Battery Feeds
G402 (1 of 2)
G401 (1 of 3)
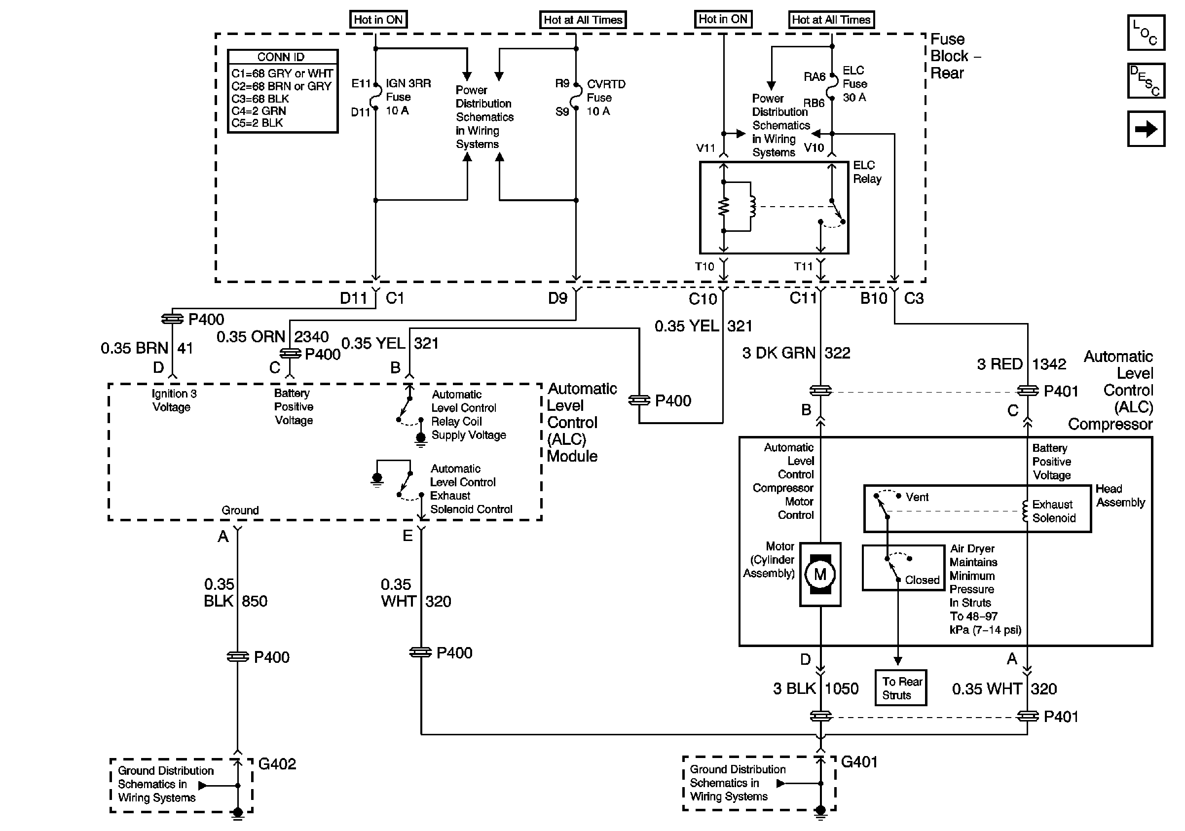
Figure
2:
Automatic Level Control (With F45)
Automatic Level Control (Without F45)
Automatic Level Control Component Views
Automatic Level Control Description and Operation wo/F45
Battery Feeds
G401 (1 of 3)