GM Service Manual Online
For 1990-2009 cars only

Inflatable Restraint Steering Wheel Module Coil Disassemble - Off Vehicle Power Tilt and Telescope


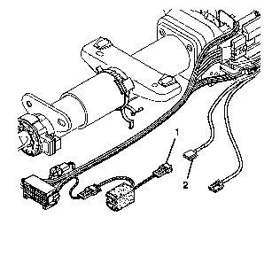
    Object Number: 312334  Size: SH

    Important
    Before performing the following procedures, check the fused jumper assembly for burned 2 amp fuses.

    Remove the upper and lower trim covers. Refer to Steering Column Trim Covers - Disassemble - Off Vehicle .

  1. Remove the black inflatable restraint steering wheel module coil connector (2) from the fused jumper assembly connector (1).

  2. Object Number: 312339  Size: SH
  3. Remove the retaining ring (3).
  4. Remove the inflatable restraint steering wheel module coil (2).
  5. Remove the wave washer (1).

Inflatable Restraint Steering Wheel Module Coil Disassemble - Off Vehicle Manual Tilt


    Object Number: 293259  Size: SH

    Important
    Before performing the following procedures, check the fused jumper assembly for burned 2 amp fuses.

    Remove the upper and lower trim covers. Refer to Steering Column Trim Covers - Disassemble - Off Vehicle .

  1. Remove the 3 wire harness straps (2) from the steering column tilt head assembly (1).

  2. Object Number: 293261  Size: SH
  3. Remove the black inflatable restraint steering wheel module coil connector (2) from the fused jumper assembly connector (1).

  4. Object Number: 293262  Size: SH
  5. Remove the retaining ring (3).
  6. Remove the inflatable restraint steering wheel module coil (2).
  7. Remove the wave washer (1).

Inflatable Restraint Steering Wheel Module Coil Disassemble - Off Vehicle Right Hand


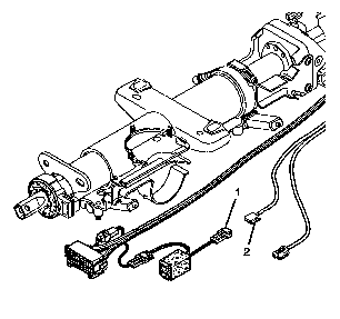
    Object Number: 312334  Size: SH

    Important: Before performing the following procedures, check the fused jumper assembly for burned 2 amp fuses.

  1. Remove the upper and lower trim covers. Refer to Steering Column Trim Covers - Disassemble - Off Vehicle .
  2. Remove the black inflatable restraint steering wheel module coil connector (2) from the fused jumper assembly connector (1).

  3. Object Number: 312339  Size: SH
  4. Remove the retaining ring (3).
  5. Remove the inflatable restraint steering wheel module coil (2).
  6. Remove the wave washer (1).