GM Service Manual Online
For 1990-2009 cars only

Steering Column Tilt Head Housing - Assemble - Off Vehicle Power Tilt and Telescope

Tools Required

J 23653-SIR Lock Plate Compressor


    Object Number: 332925  Size: SH
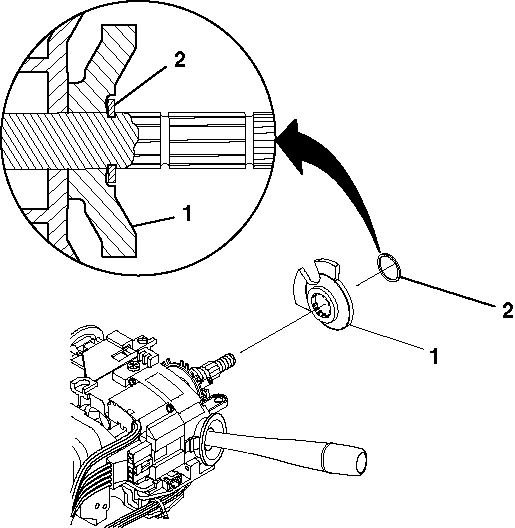
  1. Install the inner race (1).
  2. Install the upper bearing inner race seat (2).
  3. Install the upper bearing spring (3).
  4. Install the turn signal cancel cam assembly (4). Lubricate with synthetic grease.

  5. Object Number: 332929  Size: SH
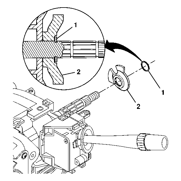
  6. Install the cam orientation plate (1).
  7. Install the new bearing retainer (2) using toolsJ 23653-SIR . The bearing retainer must be firmly seated in the groove on the upper shaft assembly.
  8. Install the inflatable restraint steering wheel module coil. Refer to Inflatable Restraint Steering Wheel Module Coil Assemble - Off Vehicle .

Steering Column Tilt Head Housing - Assemble - Off Vehicle Manual Tilt

Tools Required

    • J 23653-SIR Lock Plate Compressor
    • J 42137 Lock Plate Compressor Adapter

    Object Number: 295931  Size: SH
  1. Install the inner race (3).
  2. Install the upper bearing inner race seat (4).
  3. Install the upper bearing spring (1).
  4. Install the turn signal cancel cam assembly (2).

  5. Object Number: 295928  Size: SH
  6. Install the cam orientation plate (2). Lubricate with synthetic grease.
  7. Install the new bearing retainer (3) using tool J 23653-SIR and J 42137 . The bearing retainer must be firmly seated in the groove on the race and upper shaft assembly.
  8. Install the wave washer (1).

  9. Object Number: 293254  Size: SH
  10. To install the inflatable restraint steering wheel module coil:
  11. Align the block tooth on the race and upper shaft assembly (1) to the 12 o'clock position.


    Object Number: 293255  Size: SH
  12. Ensure the inflatable restraint steering wheel module coil is centered. If reusing the original inflatable restraint steering wheel module coil refer to Inflatable Restraint Coil Centering - Off Vehicle .
  13. 9.1. Depress the tab (1) on the back of the inflatable restraint steering wheel module coil and rotate the center of the inflatable restraint steering wheel module coil 6 revolutions. Follow the direction of the black arrow.
    9.2. Turn the center of the inflatable restraint steering wheel module coil 2.5 revolutions the opposite direction from the step listed above.

    Object Number: 293256  Size: SH
  14. Align the inflatable restraint steering wheel module coil (1) with the horn tower on the turn signal cancel cam assembly (2) and install.

  15. Object Number: 293257  Size: SH
  16. Install the retaining ring (1) onto the race and upper shaft assembly (2) using the toolJ 23653-SIR . The retaining ring (1) must seat securely in the groove on the race and upper shaft assembly (2).
  17. Install the upper and lower trim covers. Refer to Steering Column Trim Covers - Assemble - Off Vehicle .

Steering Column Tilt Head Housing - Assemble - Off Vehicle Right Hand

Tools Required

    • J 23653-SIR Lock Plate Compressor
    • J 42137 Lock Plate Compressor Adapter

    Object Number: 312427  Size: SH
  1. Install the inner race (1).
  2. Install the upper bearing inner race seat (2).
  3. Install the upper bearing spring (3).
  4. Lubricate and install the turn signal cancel cam assembly (4).

  5. Object Number: 312435  Size: SH
  6. Install the cam orientation plate (2).
  7. Install the new bearing retainer (1) using J 23653-SIR and J 42137 . The bearing retainer (1) must be firmly seated in the groove on the race and upper shaft assembly.
  8. Install the inflatable restraint steering wheel module coil. Refer to Inflatable Restraint Steering Wheel Module Coil Assemble - Off Vehicle .