GM Service Manual Online
For 1990-2009 cars only
Figure 1:

Engine Compartment, Infront of the Radiator


Object Number: 748502  Size: SH
(1)Air Temperature Sensor -- Inside Connector
(2)Air Temperature Sensor -- Inside
Figure 2:

Engine Compartment, Lower Right Front


Object Number: 154368  Size: LF
(1)Generator
(2)A/C Refrigerant Pressure Sensor Connector
(3)A/C Compressor Clutch Connector
Figure 3:

Engine Compartment, in the Right Front Corner


Object Number: 747880  Size: LF
(1)Windshield Washer Fluid Level Switch
(2)Windshield Washer Fluid Pump
(3)Windshield Washer Fluid Reservoir
(4)A/C Refrigerant Pressure Sensor
(5)P104
(6)C106
(7)P100
(8)G105
(9)G104
Figure 4:

Top Side of Instrument Panel


Object Number: 747864  Size: LF
(1)Sunload Sensor -- Left
(2)Sunload Sensor -- Left Connector
(3)Sunload Sensor -- Right
(4)Sunload Sensor -- Right Connector
Figure 5:

Passenger Compartment, Right Side Below the IP


Object Number: 154428  Size: LF
(1)Recirculation Actuator
(2)Blower Motor Control Processor
(3)Blower Motor
(4)C203
(5)Dash Integration Module (DIM)
(6)Air Temperature Actuator-Right
(7)S275
(8)S274
(9)S278
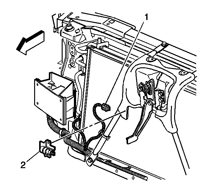
Figure 6:

Passenger Compartment, Below the Center of the IP


Object Number: 154437  Size: LF
(1)Blower Motor -- Auxiliary
(2)S322
(3)Mode Actuator -- Auxiliary
Figure 7:

Passenger Compartment, Below the Center of the IP


Object Number: 154434  Size: LF
(1)Auxiliary Power Outlet
(2)C304
(3)C312
(4)Blower Motor Resistor Assembly -- Auxiliary
(5)Cigar Lighter
(6)Ashtray Lamp