GM Service Manual Online
For 1990-2009 cars only

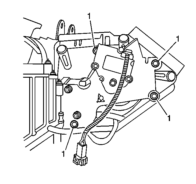
Mode Valve Actuator Replacement LHD

Removal Procedure

  1. Remove the instrument panel (IP) carrier. Refer to Instrument Panel Carrier Replacement in Instrument Panel, Gauges and Console.
  2. Important: The temperature door motor does not need to be removed in order to remove the mode actuator motor.

    The temperature door motor in the graphic is removed in order to show the fastener locations clearly.


    Object Number: 292128  Size: SH
  3. Remove the mode actuator retaining fasteners (1).
  4. Remove the mode actuator.
  5. Note the position of the door levers in relation to the cam.
  6. The mode door levers must be in the same position in order to reassemble the mode actuator to the HVAC case.

Installation Procedure

  1. Lubricate the pivots on the mode door levers and the channels on the mode motor cam before reassembling.

  2. Object Number: 292128  Size: SH
  3. Align the mode door levers with the cam slots, as noted on disassembly.
  4. Install the mode actuator.
  5. Notice: Use the correct fastener in the correct location. Replacement fasteners must be the correct part number for that application. Fasteners requiring replacement or fasteners requiring the use of thread locking compound or sealant are identified in the service procedure. Do not use paints, lubricants, or corrosion inhibitors on fasteners or fastener joint surfaces unless specified. These coatings affect fastener torque and joint clamping force and may damage the fastener. Use the correct tightening sequence and specifications when installing fasteners in order to avoid damage to parts and systems.

  6. Install the mode actuator retaining fasteners (1).
  7. Tighten
    Tighten the fasteners to 1.4 N·m (12 lb in).

  8. Install the IP carrier. Refer to Instrument Panel Carrier Replacement in Instrument Panel, Gauges and Console.
  9. Recalibrate the actuators. Refer to Body Control Module (BCM) Programming/RPO Configuration in Body Controls System.

Mode Valve Actuator Replacement RHD

Removal Procedure


    Object Number: 297073  Size: SH
  1. Remove the IP carrier. Refer to Instrument Panel Carrier Replacement in Instrument Panel, Gauges and Console.
  2. Remove the electrical connector from the passenger air mix actuator.
  3. Remove the passenger air mix actuator retaining fasteners (1).

  4. Object Number: 415365  Size: SH
  5. Remove the passenger air mix actuator.

  6. Object Number: 297071  Size: SH
  7. Remove the mode actuator retaining fasteners (1).
  8. Remove the mode actuator electrical connector.
  9. Remove the mode actuator.
  10. Note the position of the door levers to the cam.
  11. The mode door levers must be in the same position in order to reassemble the mode actuator to the HVAC case.

Installation Procedure

  1. Lubricate the pivots on the mode door levers and the channels on the mode motor cam before reassembling.

  2. Object Number: 297071  Size: SH
  3. Install the mode actuator.
  4. Notice: Use the correct fastener in the correct location. Replacement fasteners must be the correct part number for that application. Fasteners requiring replacement or fasteners requiring the use of thread locking compound or sealant are identified in the service procedure. Do not use paints, lubricants, or corrosion inhibitors on fasteners or fastener joint surfaces unless specified. These coatings affect fastener torque and joint clamping force and may damage the fastener. Use the correct tightening sequence and specifications when installing fasteners in order to avoid damage to parts and systems.

  5. Install the mode actuator retaining fasteners (1).
  6. Tighten
    Tighten the fasteners to 1.4 N·m (12 lb in).

  7. Install the mode actuator electrical connector.

  8. Object Number: 415365  Size: SH
  9. Install the passenger air mix actuator.

  10. Object Number: 297073  Size: SH
  11. Install the passenger air mix actuator retaining fasteners (1).
  12. Install the electrical connector to the passenger air mix actuator.
  13. Install the IP carrier. Refer to Instrument Panel Carrier Replacement in Instrument Panel, Gauges and Console.
  14. Recalibrate the actuators. Refer to Body Control Module (BCM) Programming/RPO Configuration in Body Controls System.