Radio Replacement w/o UY4, U45
Removal Procedure
- Remove the instrument panel center trim plate. Refer to
Instrument Panel Center Trim Panel Replacement
in Instrument
Panel, Gages and Console.
- Remove the console trim plate. Refer to
Console Trim Plate Replacement
in Instrument Panel, Gages and
Console.
- Remove the heater and
A/C control and the radio bracket fasteners.
- Disconnect the electrical connectors from the radio and the A/C
control assembly.
- Remove the radio retaining
nuts.
- Remove the radio from the radio bracket.
Installation Procedure
- Install the radio to the radio bracket.
Notice: Use the correct fastener in the correct location. Replacement fasteners
must be the correct part number for that application. Fasteners requiring
replacement or fasteners requiring the use of thread locking compound or sealant
are identified in the service procedure. Do not use paints, lubricants, or
corrosion inhibitors on fasteners or fastener joint surfaces unless specified.
These coatings affect fastener torque and joint clamping force and may damage
the fastener. Use the correct tightening sequence and specifications when
installing fasteners in order to avoid damage to parts and systems.
- Install the radio
retaining nuts.
Tighten
Tighten the radio retaining nuts to 5 N·m (44 lb in).
- Connect the electrical
connectors to the radio and the A/C control assembly.
- Install the heater and A/C control and the radio bracket retainers.
Tighten
Tighten the fasteners to 2 N·m (18 lb in).
- Install the console trim plate. Refer to
Console Trim Plate Replacement
in Instrument Panel, Gages and
Console.
- Install the instrument panel center trim plate. Refer to
Instrument Panel Center Trim Panel Replacement
in Instrument
Panel, Gages and Console.
Radio Replacement UY4
Removal Procedure
- Remove the rear shelf trim panel. Refer to
Rear Window Shelf Trim Panel Replacement
in Interior Trim.
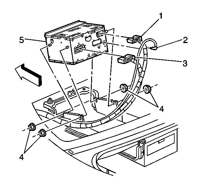
- Remove the fasteners (4)
retaining the radio (5) to the radio / navigation processor
bracket.
- Disconnect the electrical connectors (1,3) and the antenna (2)
from the radio (5).
- Remove the radio (5) from the radio / navigation
processor bracket.
Installation Procedure
- Install the radio (5)
to the radio / navigation processor bracket.
- Reconnect the antenna (2) and the electrical connectors (1,3)
to the radio (5).
Notice: Use the correct fastener in the correct location. Replacement fasteners
must be the correct part number for that application. Fasteners requiring
replacement or fasteners requiring the use of thread locking compound or sealant
are identified in the service procedure. Do not use paints, lubricants, or
corrosion inhibitors on fasteners or fastener joint surfaces unless specified.
These coatings affect fastener torque and joint clamping force and may damage
the fastener. Use the correct tightening sequence and specifications when
installing fasteners in order to avoid damage to parts and systems.
- Install the fasteners (4)
that retain the radio (5) to the radio / navigation processor
bracket.
Tighten
Torque the radio fasteners to 5 N·m (44 lb in).
- Install the rear shelf trim panel. Refer to
Rear Window Shelf Trim Panel Replacement
in Interior Trim.