GM Service Manual Online
For 1990-2009 cars only
Figure 1:

Passenger Compartment, in the Center of the Instrument Panel


Object Number: 338815  Size: LF
(1)Radio Connector
(2)Radio
(3)Instrument Panel Integration Module (IPM)
Figure 2:

Passenger Compartment, Center of the Instrument Panel


Object Number: 524953  Size: LF
(1)Ambient Light Sensor
(2)Speaker - Center Midrange
(3)Hazard Switch
(4)Instrument Panel Integration Module (IPM)
(5)Radio (w/o UY4)
(6)Driver Information Center (DIC) - Right
Figure 3:

Steering Wheel and Inflator Module


Object Number: 295206  Size: LF
(1)Inflatable Restraint Steering Wheel Module Coil
(2)Steering Wheel Controls Connector
(3)Inflatable Restraint Steering Wheel Module Connector
(4)Inflatable Restraint Steering Wheel Module
Figure 4:

On the Headliner Near the Map Light


Object Number: 302022  Size: LF
(1)Noise Cancellation Microphone
Figure 5:

In the IP Compartment


Object Number: 422483  Size: LF
(1)Auxiliary RCA Video Jack
Figure 6:

Below Center of Instrument Panel


Object Number: 338816  Size: LF
(1)Ignition Switch
(2)Radio Antenna
(3)C313
(4)C303
Figure 7:

Remote Playback Device-CD Changer


Object Number: 154440  Size: LF
(1)Remote Playback Device-CD Changer
(2)Remote Playback Device-CD Changer Connector
Figure 8:

Front Door (RH Drive)


Object Number: 748477  Size: LF
(1)Driver Door Module (DDM) (FPDM Similar)
(2)C500 (C600 Similar)
(3)Speaker -- RF Door Tweeter Connector (LF Similar)
(4)Speaker -- RF Door Connector (LF Similar)
(5)P601 (P501 Similar)
Figure 9:

Door Speaker


Object Number: 747893  Size: LF
(1)Speaker -- RF Door (UX8) (LF Similar)
(2)Speaker -- RF Door Tweeter (UX8) Connector (LF Similar)
(3)P601 (P501 Similar)
(4)Speaker -- RF Door (UX8) Connector (LF Similar)
Figure 10:

Door Speaker (UX9)


Object Number: 747898  Size: LF
(1)P601 (P501 Similar)
(2)Speaker -- RF Door (UX9) Connector (LF Similar)
(3)Speaker -- RF Door (UX9) (LF Similar)
Figure 11:

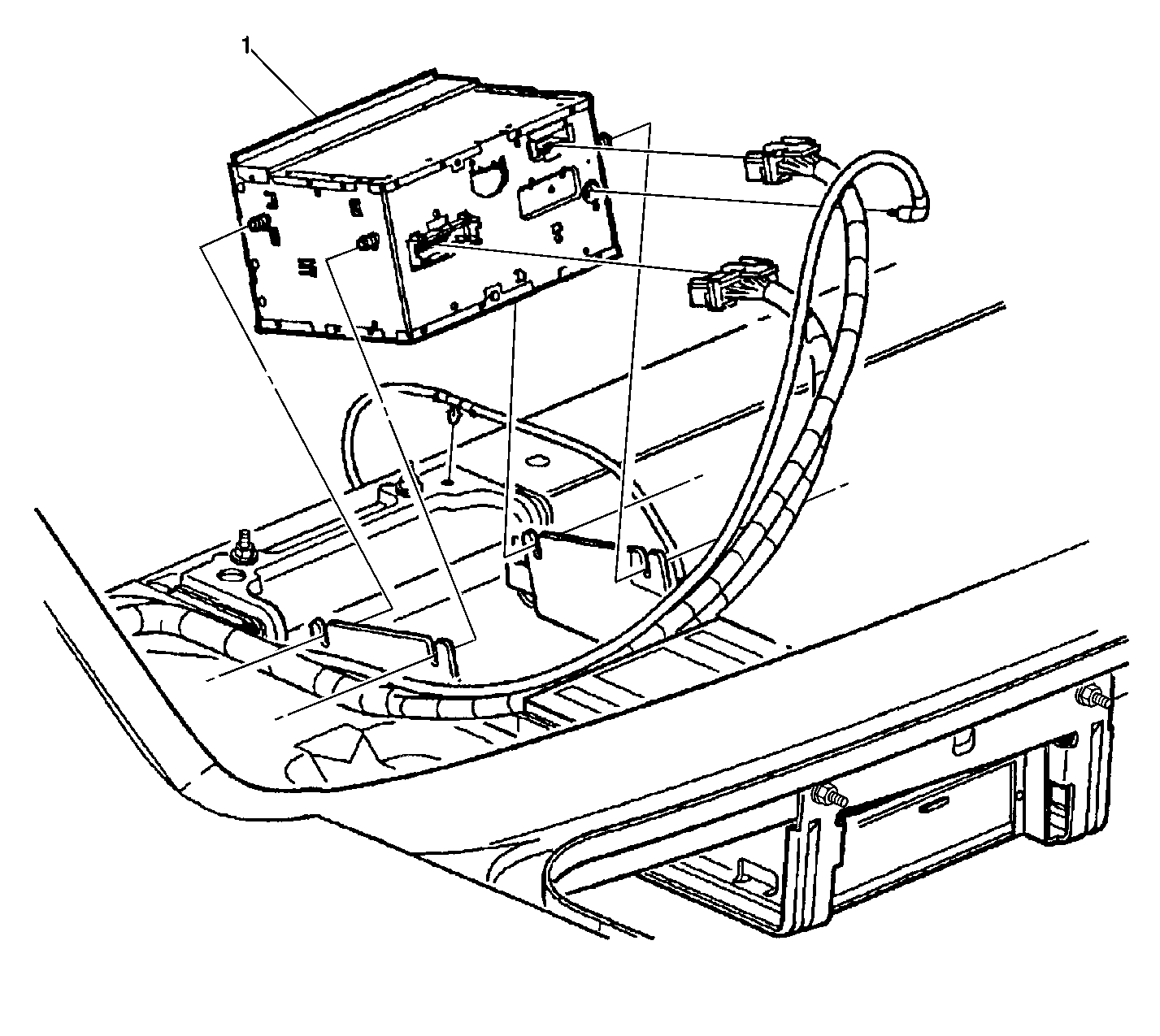
Passenger Compartment, Behind the Rear Seat


Object Number: 154444  Size: LF
(1)Audio Amplifier (with UX8)
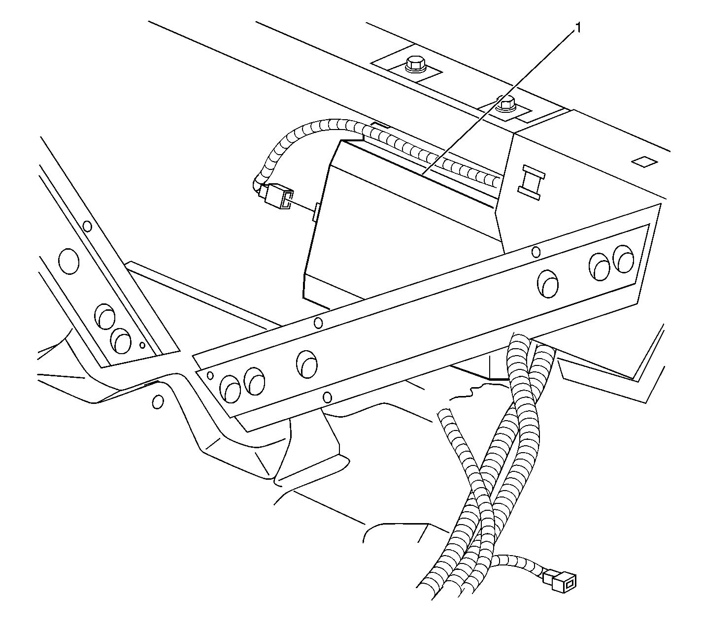
Figure 12:

Behind Rear Seat


Object Number: 338783  Size: LF
(1)Audio Amplifier (with UX9)
(2)Audio Amplifier Connector C3
(3)Audio Amplifier Connector C1
(4)Audio Amplifier Connector C2
Figure 13:

TV Antenna Module


Object Number: 259798  Size: LF
(1)TV Antenna Module
Figure 14:

Rear Compartment, Below the Package Shelf (w/ UY4)


Object Number: 259819  Size: LF
(1)Radio
Figure 15:

Center Rear of Headliner


Object Number: 338810  Size: LF
(1)FM Antenna Coax Cable
(2)Radio Antenna Module
(3)Signal Amplifier-RF Coax Cable
(4)Radio Antenna Module Connector
Figure 16:

Speaker -- Rear


Object Number: 747907  Size: LF
(1)Speaker -- Rear Subwoofer
(2)Rear Shelf Cover