GM Service Manual Online
For 1990-2009 cars only

    Object Number: 141850  Size: SH

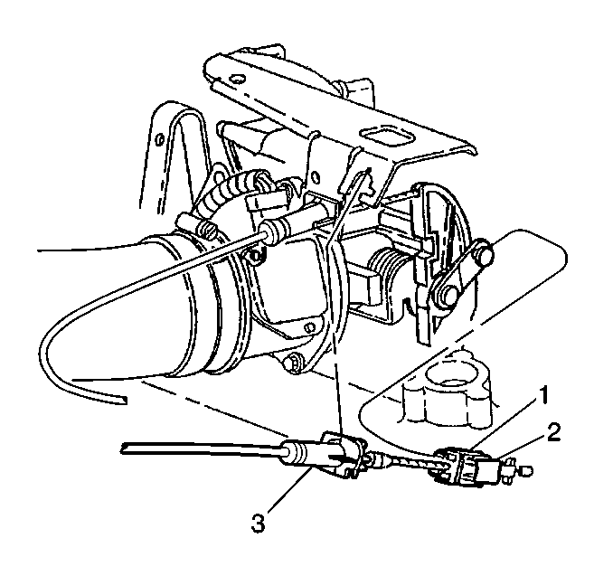
    Important: The cruise control cable self-adjusts by spring tension in the cable end (1). After the adjustment lock (2) is released, reset the cruise control cable lock (2), and the cable will be adjusted.

    Important: Do not remove the lock (2).

  1. Disengage the adjustment lock (2) on the cruise control cable (1) . The adjustment lock (2) is the light-colored button that is located on the throttle body end of the cable. The cable will move freely in and out of the adjuster body when the lock is disengaged.
  2. Ensure that the throttle body is in the closed position.
  3. Ensure that the cable moves freely in the adjuster body (1), in order to verify the cable lock (2) is disengaged.
  4. Press the adjustment lock (2) firmly until it is fully seated.
  5. Verify that the cruise control cable is not holding the throttle blade off the stop, after the cruise control cable is adjusted.