GM Service Manual Online
For 1990-2009 cars only

Tools Required

J 38185 Hose Clamp Pliers

Removal Procedure

  1. Partially drain the engine coolant. Refer to Cooling System Draining and Filling .
  2. Remove the air cleaner assembly. Refer to Air Cleaner Assembly Replacement in Engine Controls-4.6 L.

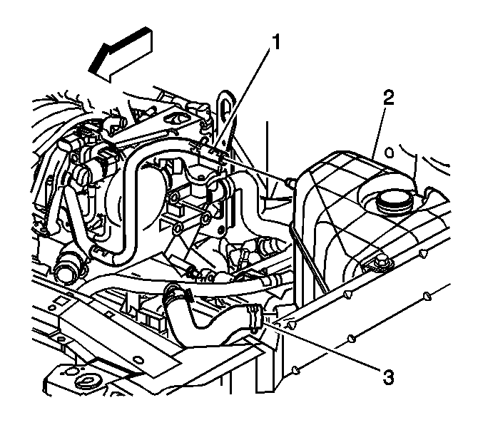
  3. Object Number: 744051  Size: SH
  4. Disconnect the surge tank inlet hose (1) from the surge tank (2).
  5. Position the J 38185 to the clamp in order to remove the surge tank outlet hose (3) from the surge tank (2).

  6. Object Number: 569436  Size: SH
  7. Disconnect the connector (2) from the coolant level sensor.
  8. Remove the surge tank mounting screw and nuts.
  9. Remove the surge tank (1).

Installation Procedure


    Object Number: 569436  Size: SH
  1. Position the surge tank (1) over the two studs at the wheelhouse.
  2. Notice: Use the correct fastener in the correct location. Replacement fasteners must be the correct part number for that application. Fasteners requiring replacement or fasteners requiring the use of thread locking compound or sealant are identified in the service procedure. Do not use paints, lubricants, or corrosion inhibitors on fasteners or fastener joint surfaces unless specified. These coatings affect fastener torque and joint clamping force and may damage the fastener. Use the correct tightening sequence and specifications when installing fasteners in order to avoid damage to parts and systems.

  3. Install the surge tank fasteners.
  4. Tighten
    Tighten the surge tank fasteners to 6 N·m (53 lb in).

  5. Connect the connector (2) to the coolant level sensor.

  6. Object Number: 744051  Size: SH
  7. Position the J 38185 to the clamp in order to connect the surge tank outlet hose (3) to the surge tank (1).
  8. Connect the surge tank inlet hose (1) to the surge tank (2).
  9. Install the air cleaner assembly. Refer to Air Cleaner Assembly Replacement in Engine Controls-4.6 L.

  10. Object Number: 569438  Size: SH
  11. Position the surge tank inlet hose to the retaining feature of the resonator.
  12. Fill the cooling system. Refer to Cooling System Draining and Filling .