GM Service Manual Online
For 1990-2009 cars only

Important: The lower rail service part comes as a complete unit, including all brackets and reinforcements.

Sectioning of the lower rail does not require the removal of the powertrain, however, the front cradle must be lowered.

Removal Procedure


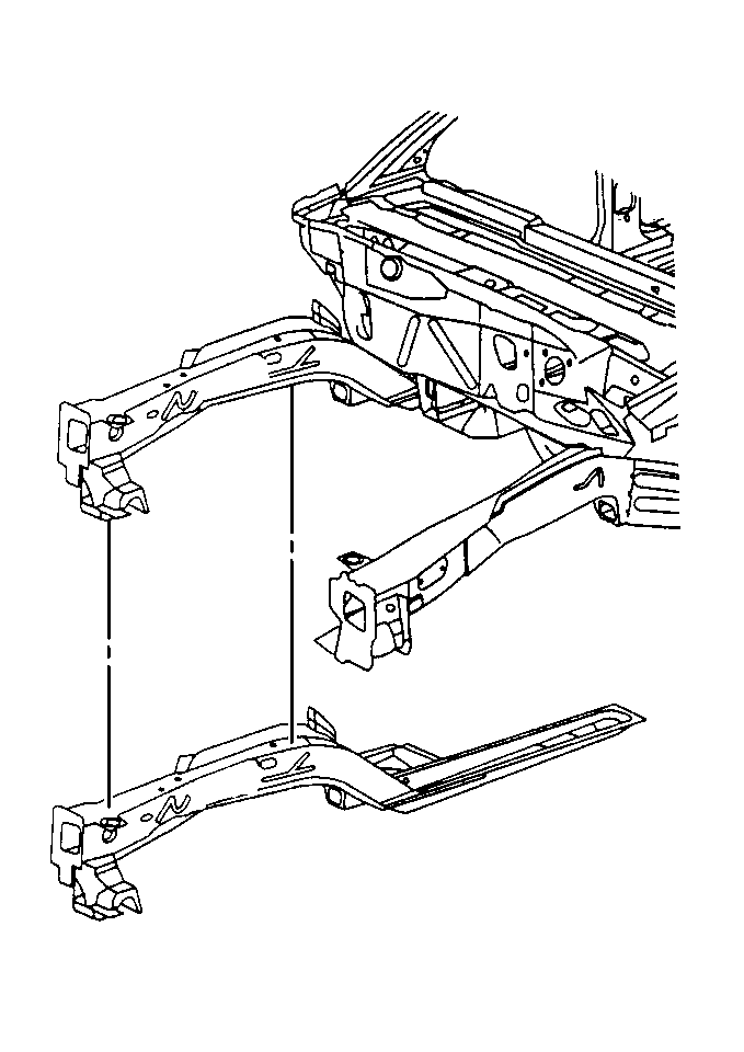
    Object Number: 240695  Size: MH
  1. Remove all panels and components necessary for access.
  2. Restore as much of the damage as possible to factory specifications.

  3. Object Number: 240702  Size: SH

    Important: Inner and outer sectioning templates are available for both the left and right rails. It is important to use the correct template when marking lines for cutting.

  4. Align the appropriate inner and outer templates on the damaged lower rail and mark lines as indicated.
  5. Cut the rail along the marked lines.
  6. Remove the damaged portion of the rail.

  7. Object Number: 240698  Size: SH
  8. Cut and remove approximately 5 mm (¼ in) of the outboard and downward turned flanges of the lower rail.
  9. Cut a 5 mm (¼ in) gap approximately 5 mm (¼ in) along the corners of the lower rail to create tabs.

  10. Object Number: 240701  Size: SH
  11. Bend the tabs inward to allow the replacement lower rail section to fit over the original rail.
  12. Weld all 4 edges together of rail at cut corners.

Installation Procedure


    Object Number: 240702  Size: SH
  1. Align the inner and outer templates on the service part and mark lines as indicated.
  2. Cut the service part along the marked lines. Discard the unused section.

  3. Object Number: 240703  Size: SH
  4. Position the modified service part over the stepped tabs of the original rail, allowing 5 mm (¼ in) of overlap.
  5. Stitch weld along the entire joint. When stitch welding, make 25 mm (1 in) welds along the seam with 25 mm (1 in) gaps between.
  6. Complete the stitch weld along the seam.
  7. Clean and prepare all bare metal surfaces.
  8. Important: Prior to refinishing, refer to publication GM 4901M-D-01 GM Approved Refinish Materials for recommended products. Do not combine paint systems. Refer to paint manufacturer's recommendations.

  9. Apply the following as necessary:
  10. • Sealers
    • Anti-corrosion materials
    • Two-part catalyzed primer
    • Top-coat
  11. Install the panels and components previously removed for access.