GM Service Manual Online
For 1990-2009 cars only
Figure 1:

Power, Grounds, and Class 2


Object Number: 642295  Size: FS
RCA Video Jack
Navigation System Component Views
Navigation System Description and Operation
Class 2 Serial Data Line (LH Drive) (2 of 2)
Power, Ground, and Components
Class 2 Serial Data Line (LH Drive) (2 of 2)
G401 (2 of 3)
G200
G200
Figure 2:

RCA Video Jack


Object Number: 642296  Size: FS
Power, Grounds, and Class 2
Video and Radio Communication
Navigation System Component Views
Navigation System Description and Operation
PCM Inputs/Outputs (1 of 2)
Figure 3:

Video and Radio Communication


Object Number: 642297  Size: FS
RCA Video Jack
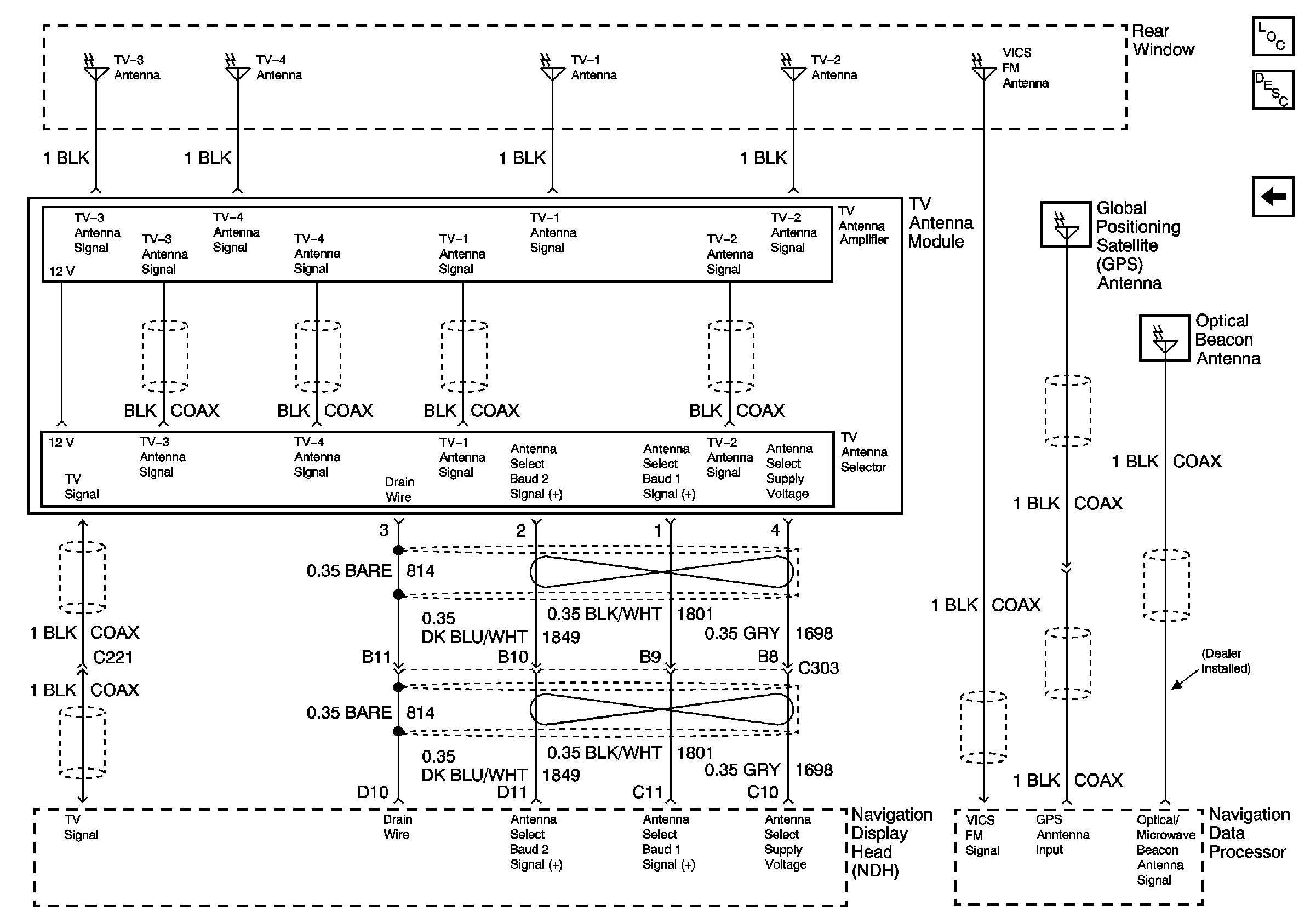
TV and GPS Antennas
Navigation System Component Views
Navigation System Description and Operation
Figure 4:

TV and GPS Antennas


Object Number: 642298  Size: FS
Video and Radio Communication
Navigation System Component Views
Navigation System Description and Operation