GM Service Manual Online
For 1990-2009 cars only
Makes
🢒
Cadillac
🢒
2001
🢒
Seville
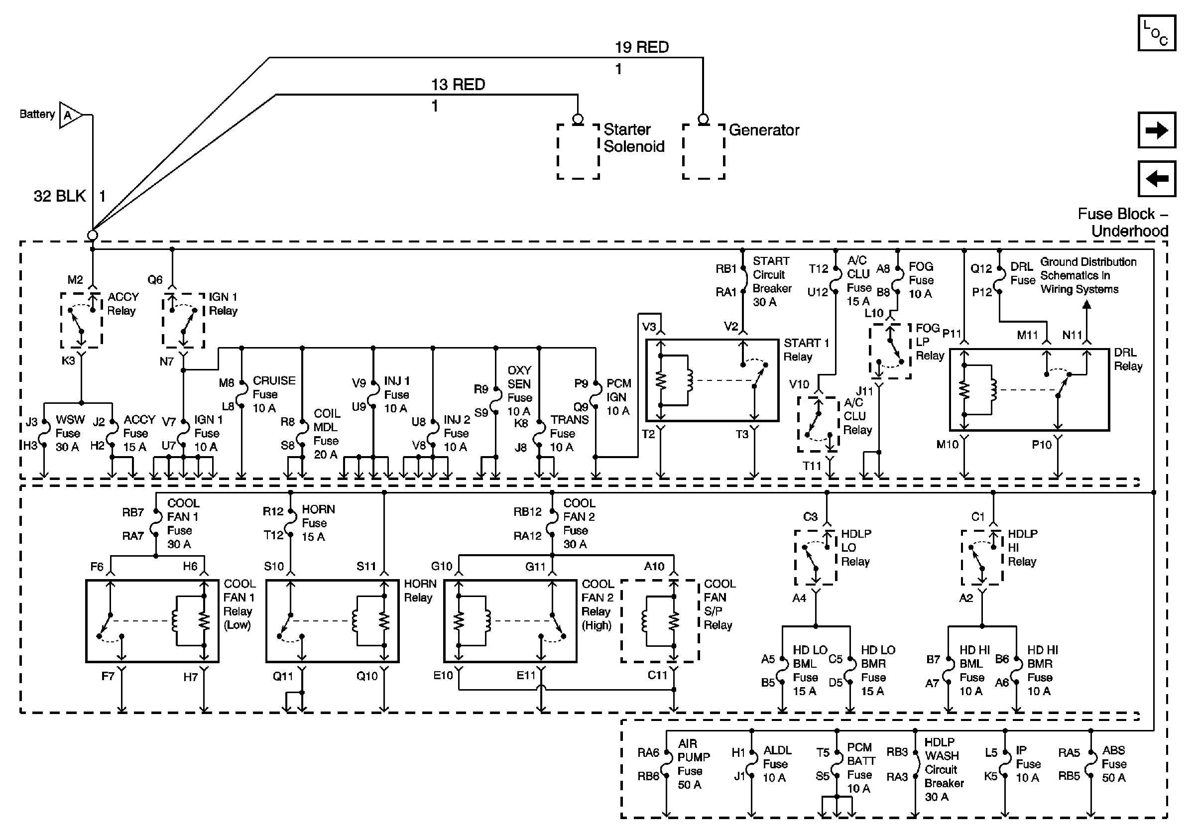
🢒 Power to Underhood Fuse Block
Power to Underhood Fuse Block
Power to Underhood Fuse Block
IGN SW and HTDST Fuses
Battery Feeds