GM Service Manual Online
For 1990-2009 cars only
Makes
🢒
Cadillac
🢒
2001
🢒
Seville
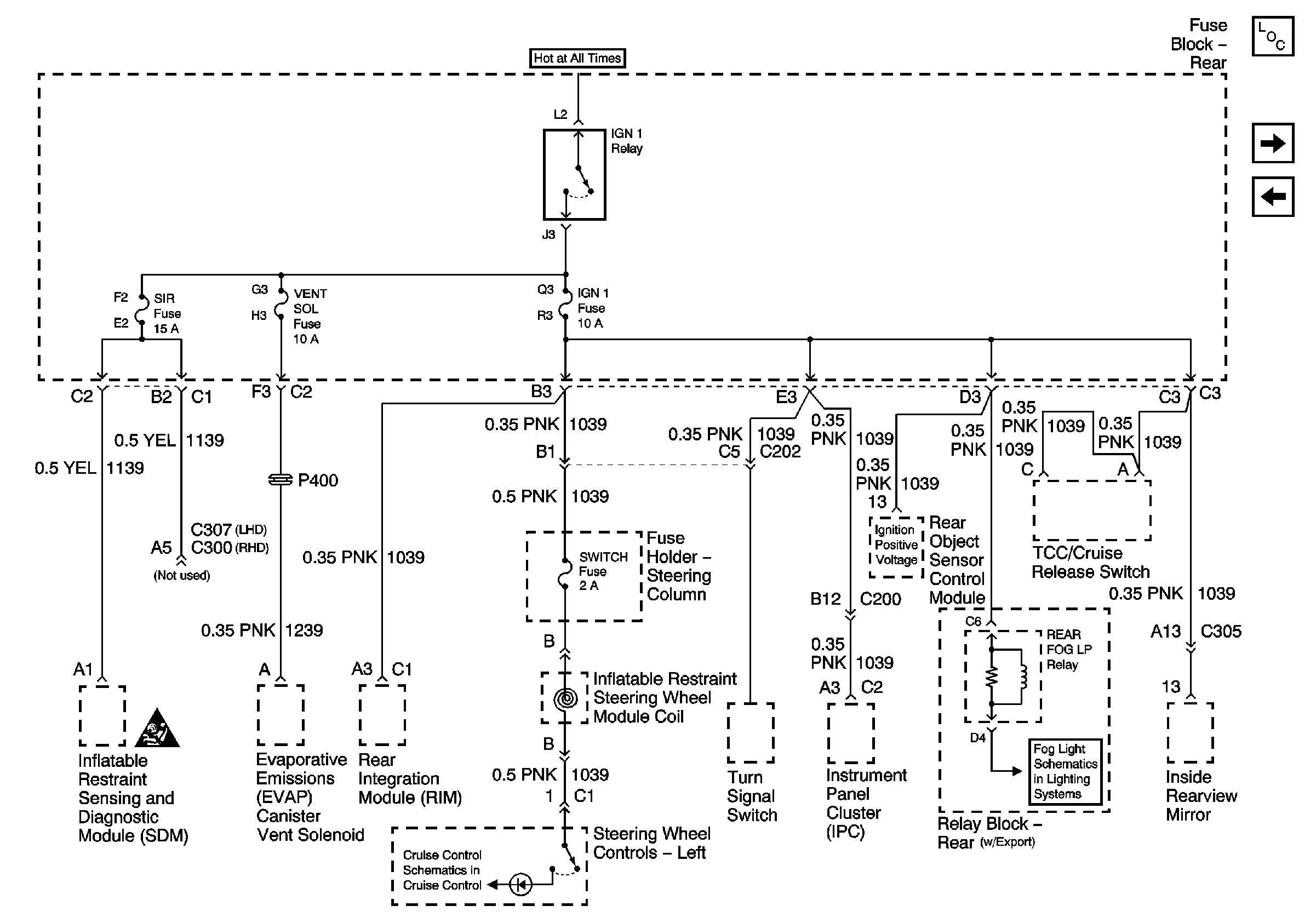
🢒 SIR, VENT SOL, IGN 1 Fuses and IGN 1 Relay
SIR, VENT SOL, IGN 1 Fuses and IGN 1 Relay
SIR, VENT SOL, IGN 1 Fuses and IGN 1 Relay
EXPORT BRK, PCM BATT, I/P, and ABS Fuses
CIGAR Relay and STOP LP, CIGAR, HVAC BLO Fuses