GM Service Manual Online
For 1990-2009 cars only
Makes
🢒
Cadillac
🢒
2001
🢒
Seville
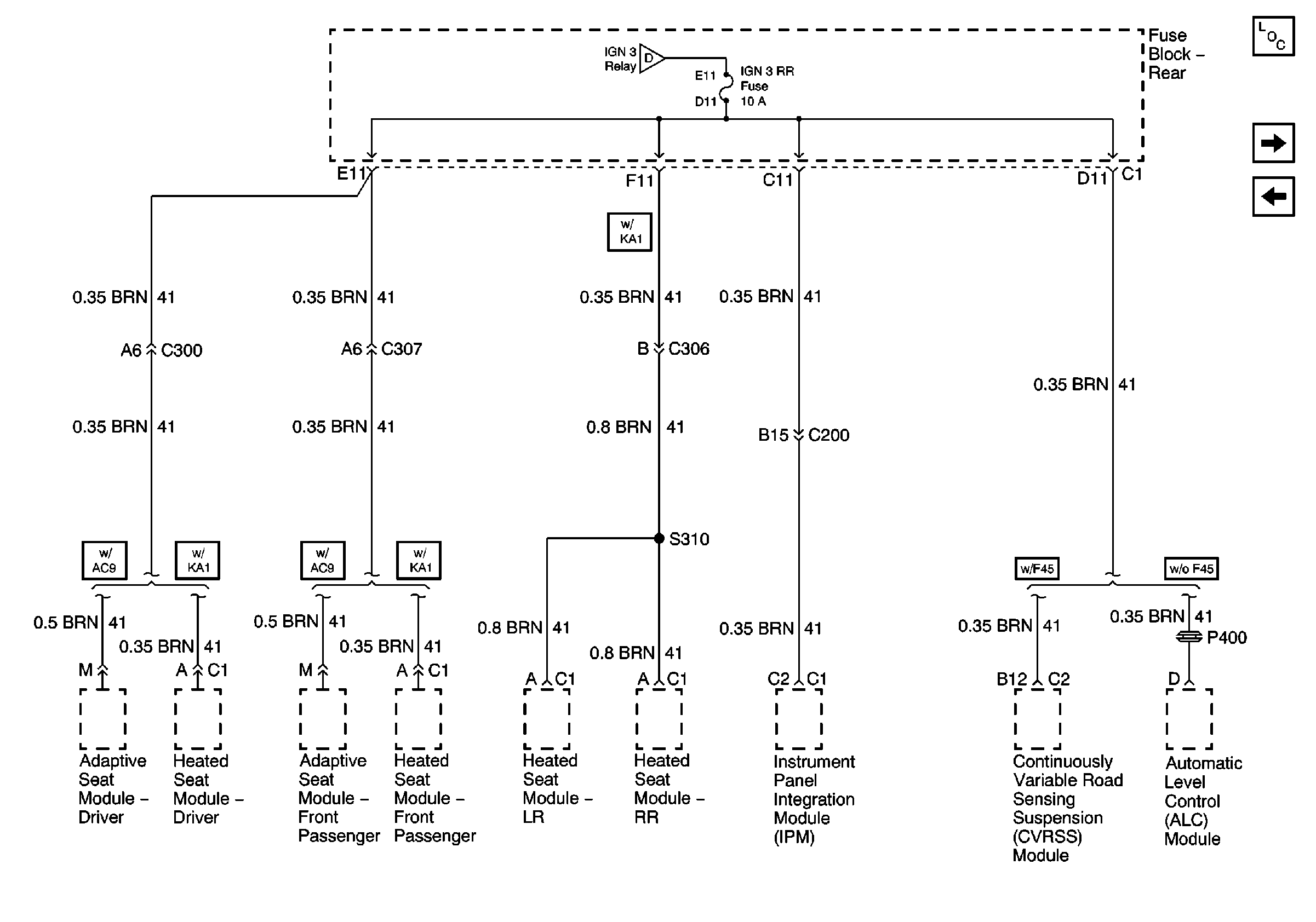
🢒 IGN 3 RR Fuse
IGN 3 RR Fuse
IGN 3 RR Fuse
MEM T/T, PWR T/T, and TSIG/HAZ Fuses
IGN 3 RR Relay, HVAC and ABS Fuses