GM Service Manual Online
For 1990-2009 cars only
Makes
🢒
Cadillac
🢒
2001
🢒
Seville
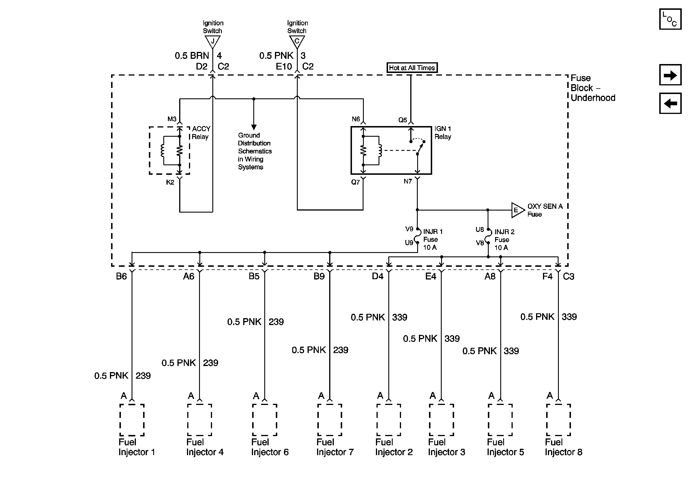
🢒 ELC, INJR 1, and INJR 2 Fuses
ELC, INJR 1, and INJR 2 Fuses
ELC, INJR 1, and INJR 2 Fuses
Ignition Switch
IGN 3 RR Relay, HVAC and ABS Fuses