GM Service Manual Online
For 1990-2009 cars only
Makes
🢒
Cadillac
🢒
2001
🢒
Seville
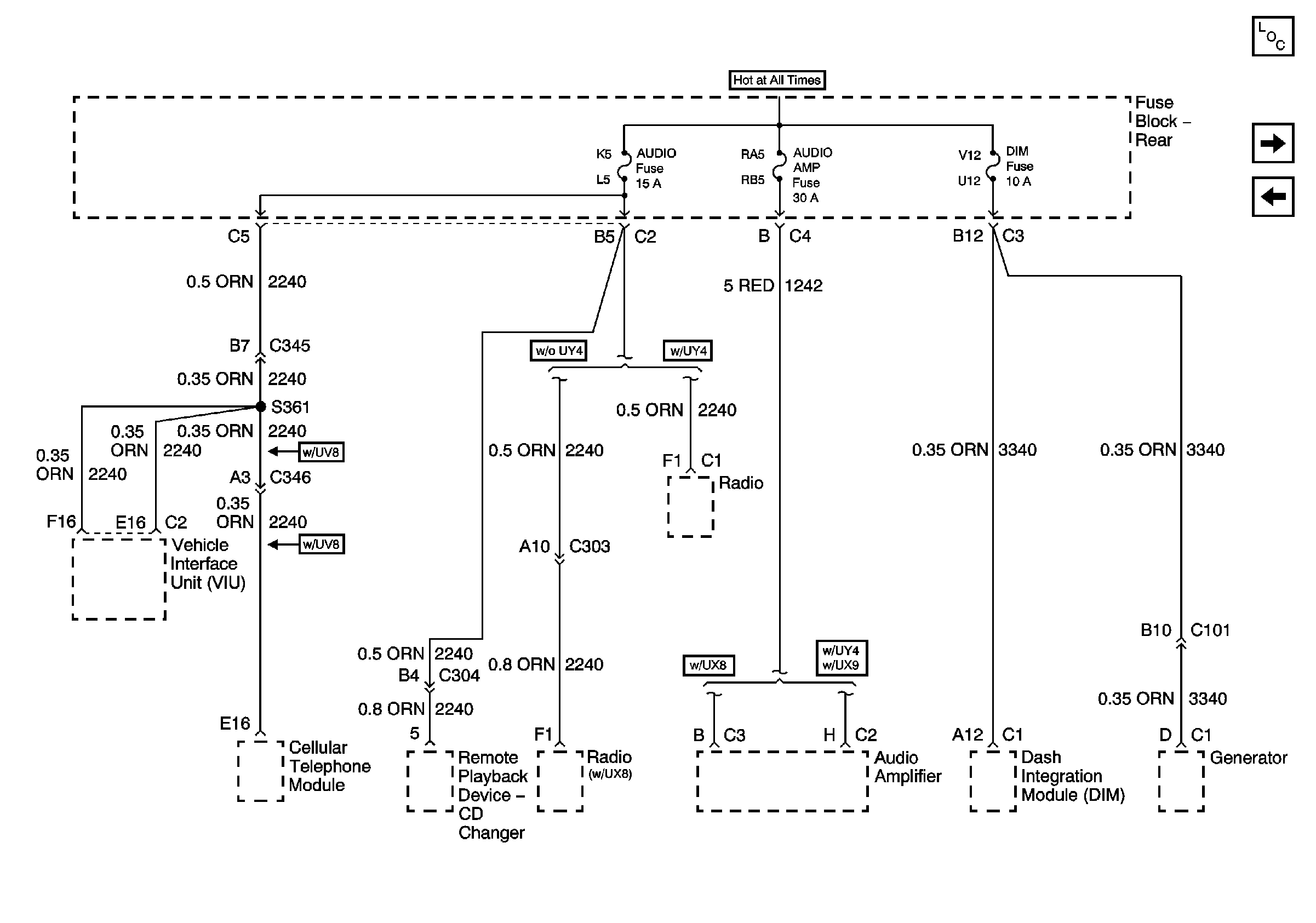
🢒 AUDIO, AUDIO AMP, DIM Fuses
AUDIO, AUDIO AMP, DIM Fuses
AUDIO, AUDIO AMP, DIM Fuses
Door MDL and ALDL Fuses
EXPORT BRK, PCM BATT, I/P, and ABS Fuses