GM Service Manual Online
For 1990-2009 cars only
Makes
🢒
Cadillac
🢒
2001
🢒
Seville
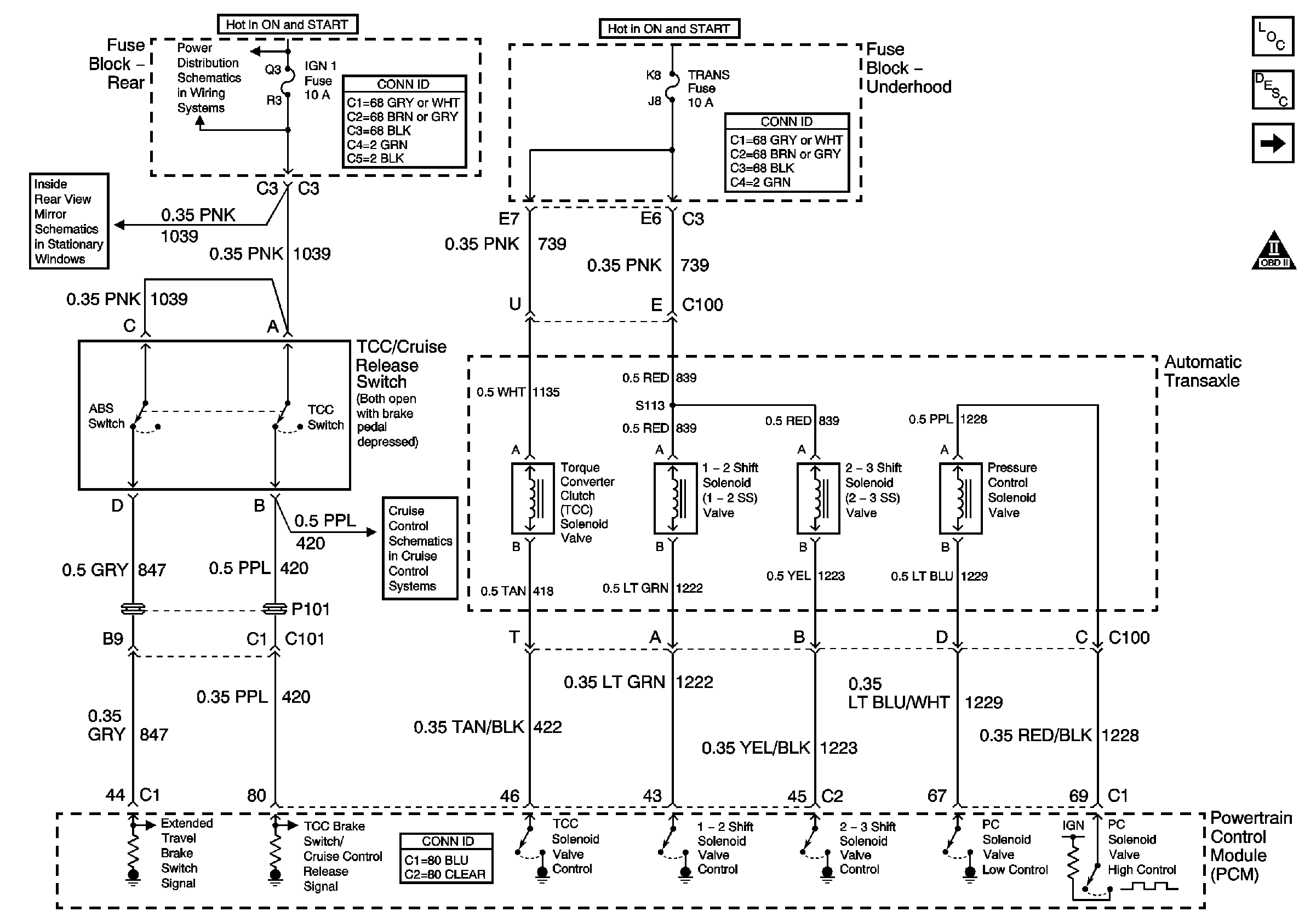
🢒 TCC/Cruise Release Switch and Transaxle Solenoids
TCC/Cruise Release Switch and Transaxle Solenoids
TCC/Cruise Release Switch and Transaxle Solenoids
Transaxle Sensors
Automatic Transmission Electronic Component Views
Transmission General Description
Battery Feeds
Inside Rearview Mirror Power and Ground
Cruise Control Module and Steering Wheel Controls; Power and Ground