GM Service Manual Online
For 1990-2009 cars only
Makes
🢒
Cadillac
🢒
2001
🢒
Seville
🢒 Power and Ground
Power and Ground
Power and Ground
Sensors and Actuators
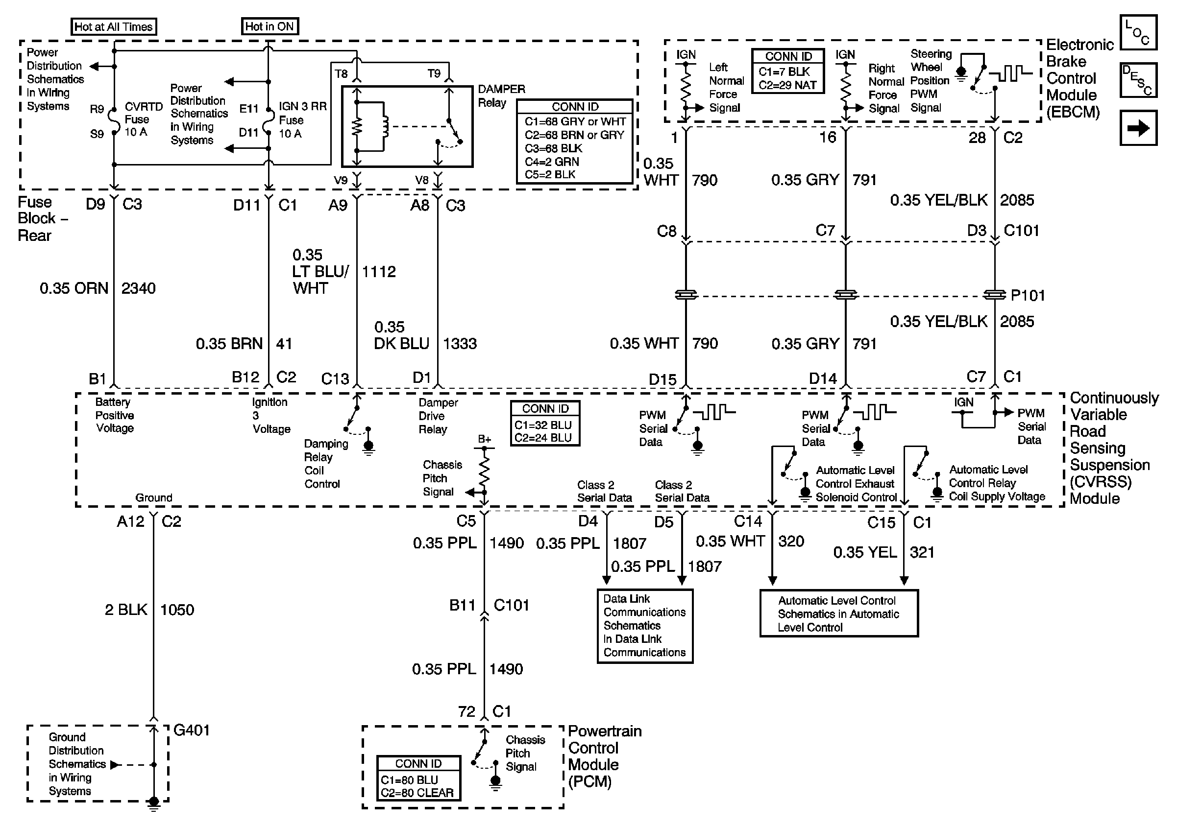
Suspension Controls Component Views
Road Sensing Suspension Description and Operation
Battery Feeds
Battery Feeds
G401 (1 of 3)
Class 2 Serial Data Line (LH Drive) (2 of 2)
Automatic Level Control (Without F45)