GM Service Manual Online
For 1990-2009 cars only
Makes
🢒
Cadillac
🢒
2001
🢒
Seville
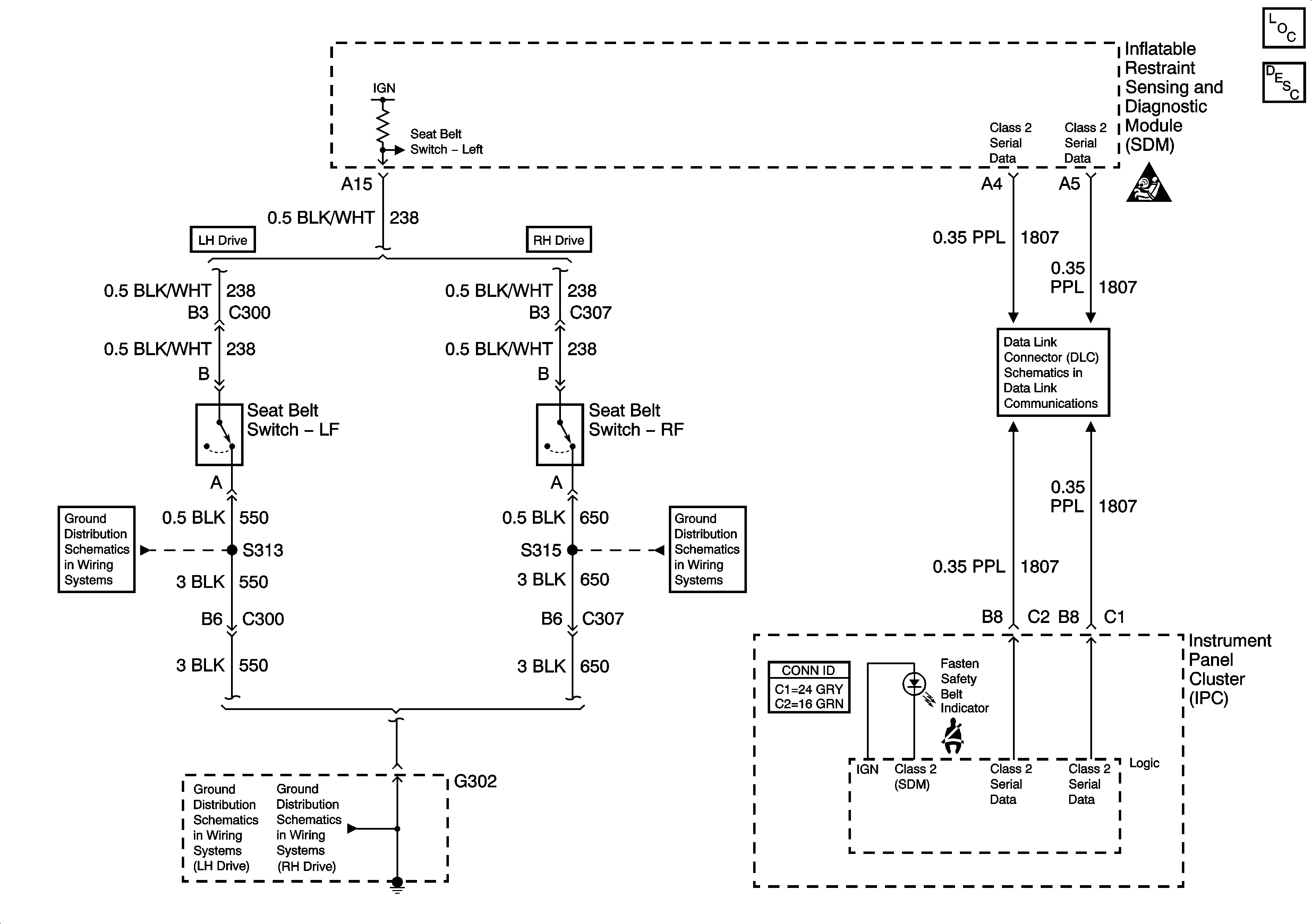
🢒 Fasten Seat Belt Indicator and Switch
Fasten Seat Belt Indicator and Switch
Fasten Seat Belt Indicator and Switch
Seat Belt Component Views
Seat Belt System Description and Operation
SIR Caution
Class 2 Serial Data Line (LH Drive) (2 of 2)
G302 (LH Drive)
G302 (RH Drive)