GM Service Manual Online
For 1990-2009 cars only
Makes
🢒
Cadillac
🢒
2001
🢒
Seville
🢒 Power and Ground
Power and Ground
Power and Ground
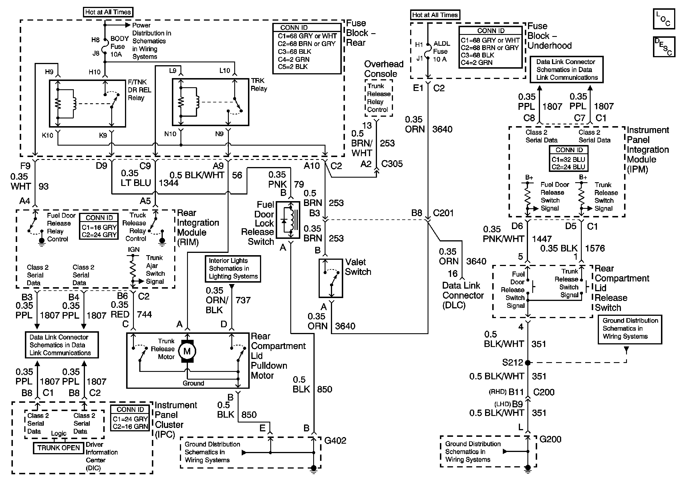
Rear Compartment Lid Release Actuator
Body Rear End Component Views
Class 2 Serial Data Line (LH Drive) (1 of 2)
G200
Battery Feeds
Class 2 Serial Data Line (LH Drive) (2 of 2)
G402 (1 of 2)