GM Service Manual Online
For 1990-2009 cars only
Makes
🢒
Cadillac
🢒
2001
🢒
Seville
🢒 Radio and Ignition Switch Audible Warnings
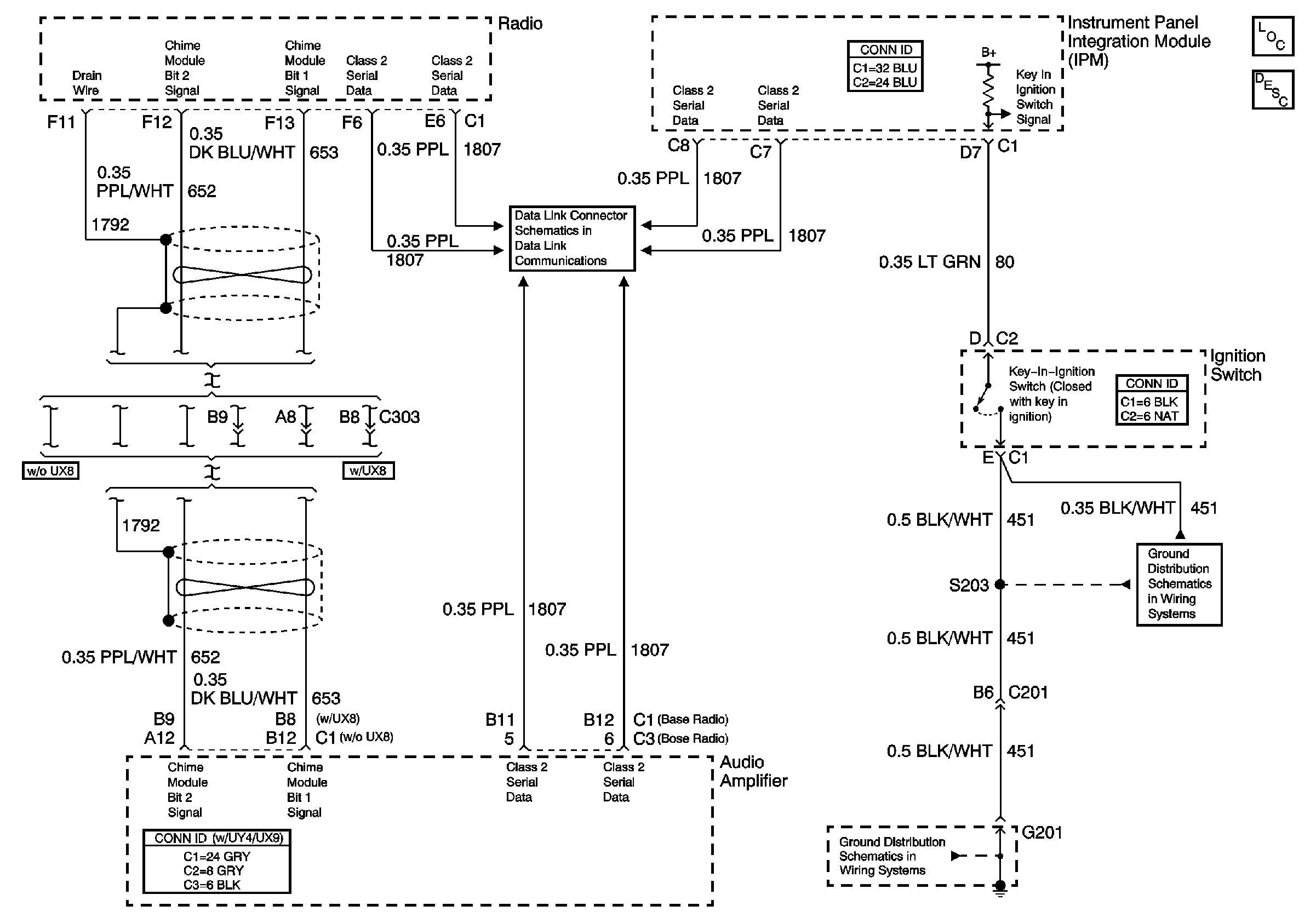
Radio and Ignition Switch Audible Warnings
Radio and Ignition Switch Audible Warnings
Seat Belt and Headlamp Switches
Instrument Panel, Gages, and Console Component Views
Audible Warnings Description and Operation
Class 2 Serial Data Line (LH Drive) (1 of 2)
G201 (1 of 3)
G201 (1 of 3)