GM Service Manual Online
For 1990-2009 cars only
Makes
🢒
Cadillac
🢒
2001
🢒
Seville
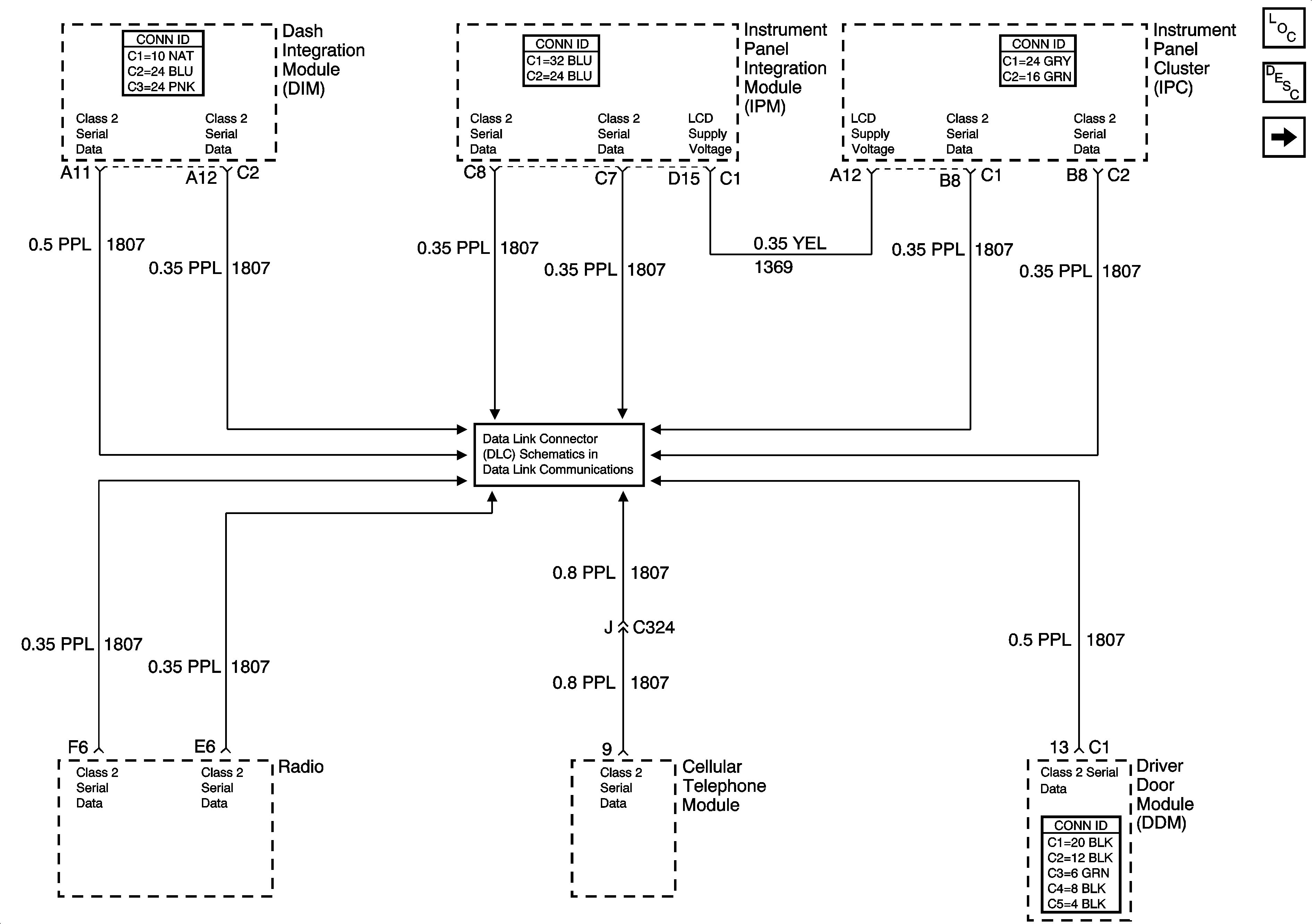
🢒 Class 2 Signals
Class 2 Signals
Class 2 Signals
Dimming Control
Lighting Systems Component Views
Interior Lighting Systems Description and Operation
Class 2 Serial Data Line (LH Drive) (1 of 2)