GM Service Manual Online
For 1990-2009 cars only
Makes
🢒
Cadillac
🢒
2001
🢒
Seville
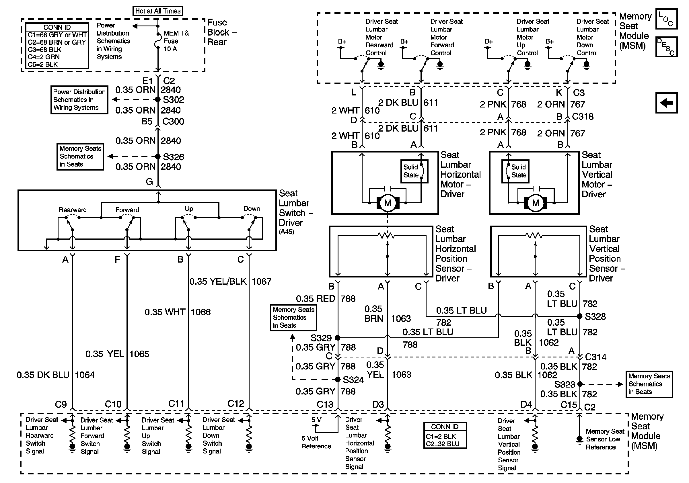
🢒 Lumbar Switch, Lumbar Motors, Lumbar Position Sensors, and Memory Seat Module
Lumbar Switch, Lumbar Motors, Lumbar Position Sensors, and Memory Seat Module
Lumbar Switch, Lumbar Motors, Lumbar Position Sensors, and Memory Seat Module
Right Adaptive Seat
Power Seat Component Views
Lumbar Support Description and Operation with A45
Battery Feeds
MEM T/T, PWR T/T, and TSIG/HAZ Fuses
Power, Ground, LH Seat Switch, and Memory Seat Module
Front Height, Rear Height, Forward/Back Motors and Position Sensors
Front Height, Rear Height, Forward/Back Motors and Position Sensors