GM Service Manual Online
For 1990-2009 cars only
Makes
🢒
Cadillac
🢒
2001
🢒
Seville
🢒 Fuel Controls-Fuel Pump and EVAP Controls
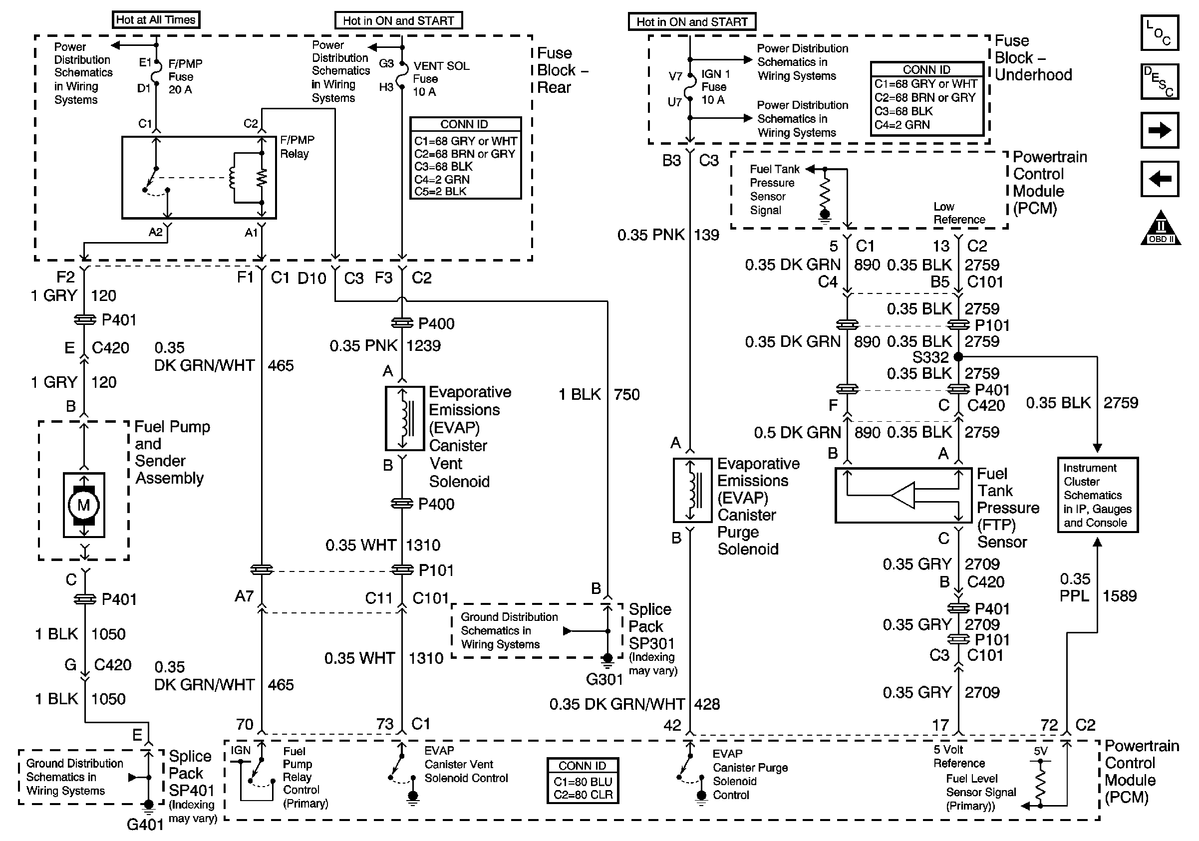
Fuel Controls-Fuel Pump and EVAP Controls
Fuel Controls-Fuel Pump and EVAP Controls
Master Electrical Component List
Evaporative Emission Control System Description
Fuel Controls-Fuel Injectors
Ignition Controls-Sensors
Engine Controls Schematic Icons
PCM Signals
G401 1 of 3
G301
Battery Feed to Fuse Block - Rear
Battery Feed to Fuse Block - Rear
Battery Feed to Fuse Block - Underhood