GM Service Manual Online
For 1990-2009 cars only
Makes
🢒
Cadillac
🢒
2001
🢒
Seville
🢒 Ignition Controls-Ignition System
Ignition Controls-Ignition System
Ignition Controls-Ignition System
Master Electrical Component List
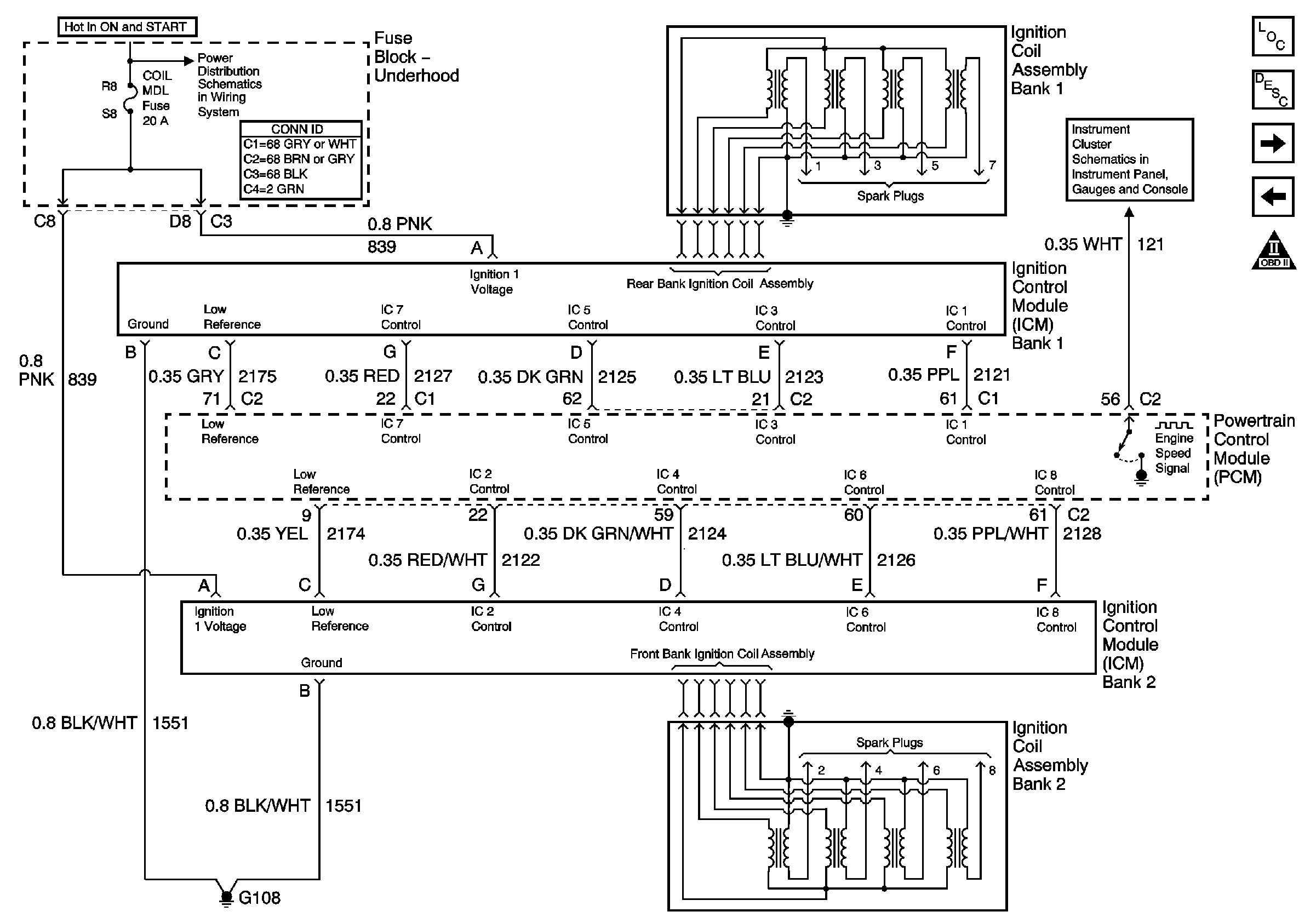
Electronic Ignition (EI) System Description
Ignition Controls-Sensors
Engine Data Sensors-O2S and/or HO2S
Engine Controls Schematic Icons
Battery Feed to Fuse Block - Underhood
PCM Signals