GM Service Manual Online
For 1990-2009 cars only
Makes
🢒
Cadillac
🢒
2001
🢒
Seville
🢒 Starting Controls
Starting Controls
Starting Controls
Master Electrical Component List
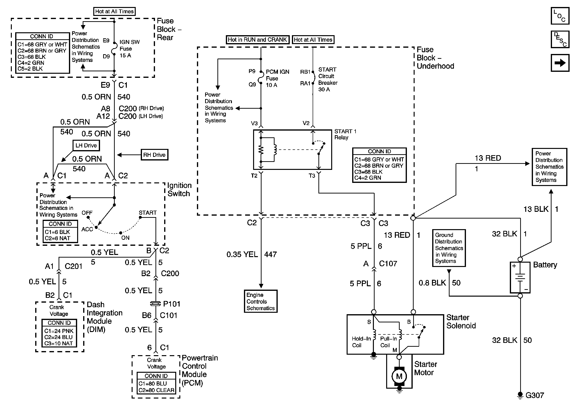
Starting System Description and Operation
Generator Controls
Battery Feed to Fuse Block - Underhood
G303, G304, G306 and G307
Controlled/Monitored Subsystem References
Ignition Switch Supply
Battery Feed to Fuse Block - Rear
Battery Feed to Fuse Block - Underhood