GM Service Manual Online
For 1990-2009 cars only
Makes
🢒
Cadillac
🢒
2001
🢒
Seville
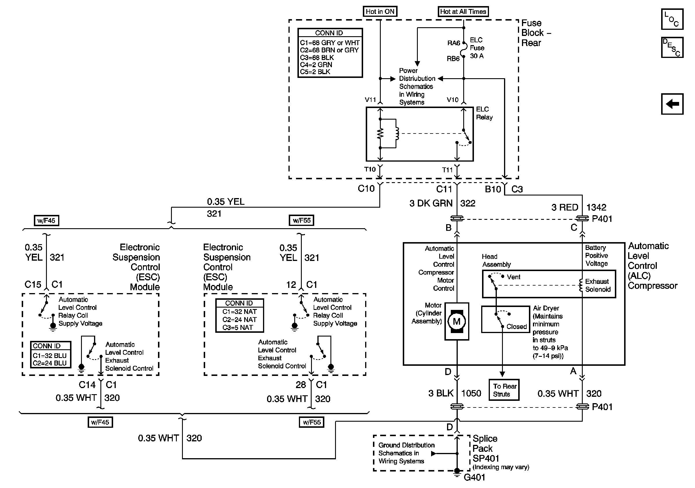
🢒 Automatic Level Control (w/ F45 or F55)
Automatic Level Control (w/ F45 or F55)
Automatic Level Control (w/ F45 or F55)
Master Electrical Component List
Automatic Level Control Description and Operation w/F45
Automatic Level Control (w/o F45)
G401 1 of 3
Battery Feed to Fuse Block - Rear