GM Service Manual Online
For 1990-2009 cars only
Makes
🢒
Cadillac
🢒
2001
🢒
Seville
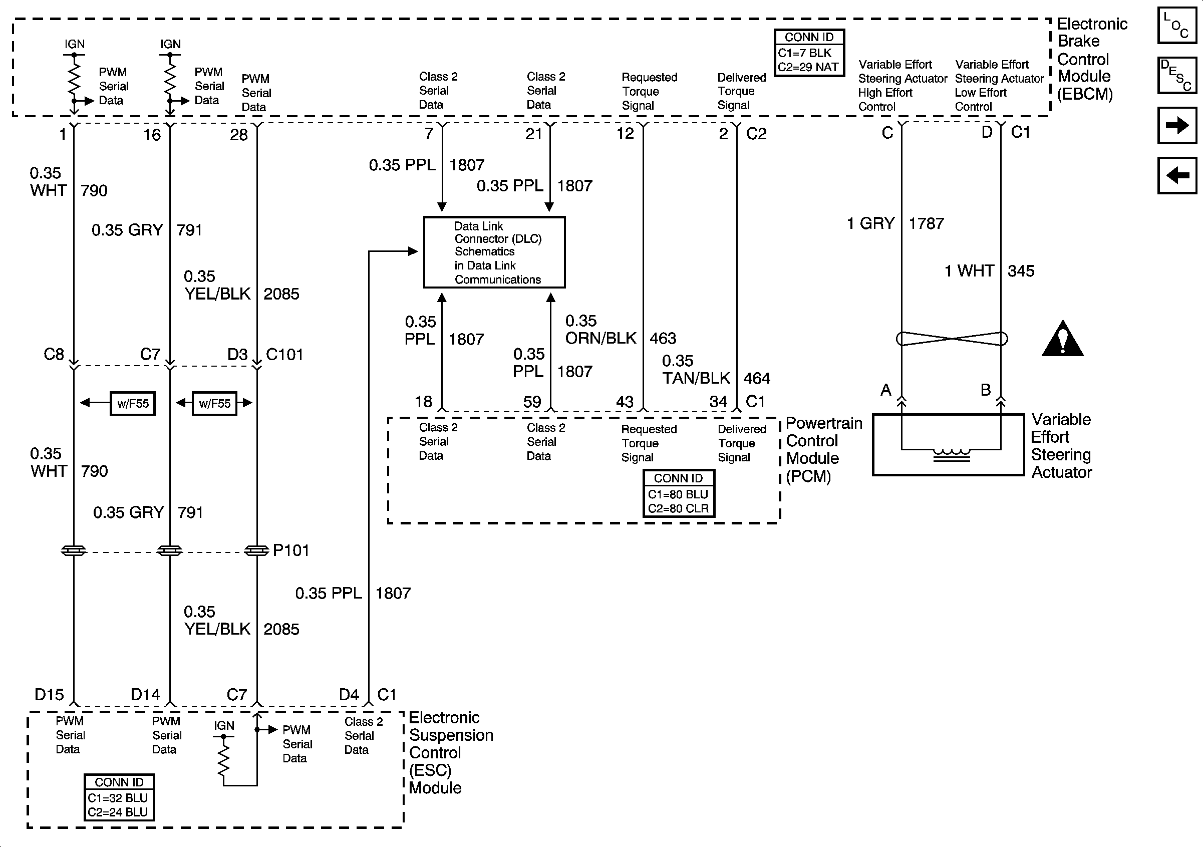
🢒 Suspension Inputs (w/F45 or F55), Class 2 and Variable Effort Steering
Suspension Inputs (w/F45 or F55), Class 2 and Variable Effort Steering
Suspension Inputs (w/F45 or F55), Class 2, and Variable Effort Steering
Master Electrical Component List
ABS Description and Operation
Traction Control Switch and ABS Indicators
Vehicle Stability Enhancement System (JL4)
Antilock Brake System Schematic Icons
Class 2 Serial Data Line (LH Drive) (1 of 2)