GM Service Manual Online
For 1990-2009 cars only
Makes
🢒
Cadillac
🢒
2001
🢒
Seville
🢒 License, Underhood, and Cornering Lamps
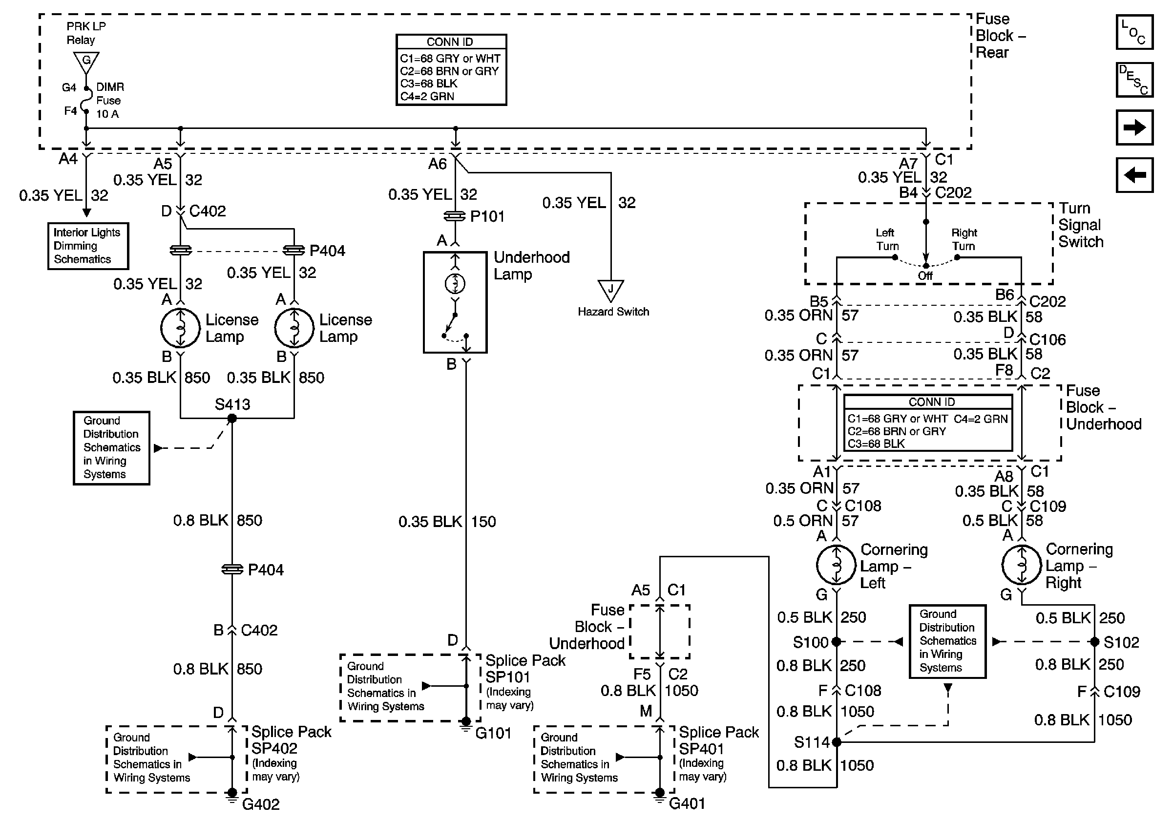
License, Underhood, and Cornering Lamps
License, Underhood, and Cornering Lamps
Master Electrical Component List
Exterior Lighting Systems Description and Operation
Backup Lights
Left Exterior Lights
G401 3 of 3
G401 3 of 3
G101 and G105
G402 2 of 2
G402 2 of 2
Dimming Control
Park Lamp and Class 2
Hazard Switch