GM Service Manual Online
For 1990-2009 cars only
Makes
🢒
Cadillac
🢒
2001
🢒
Seville
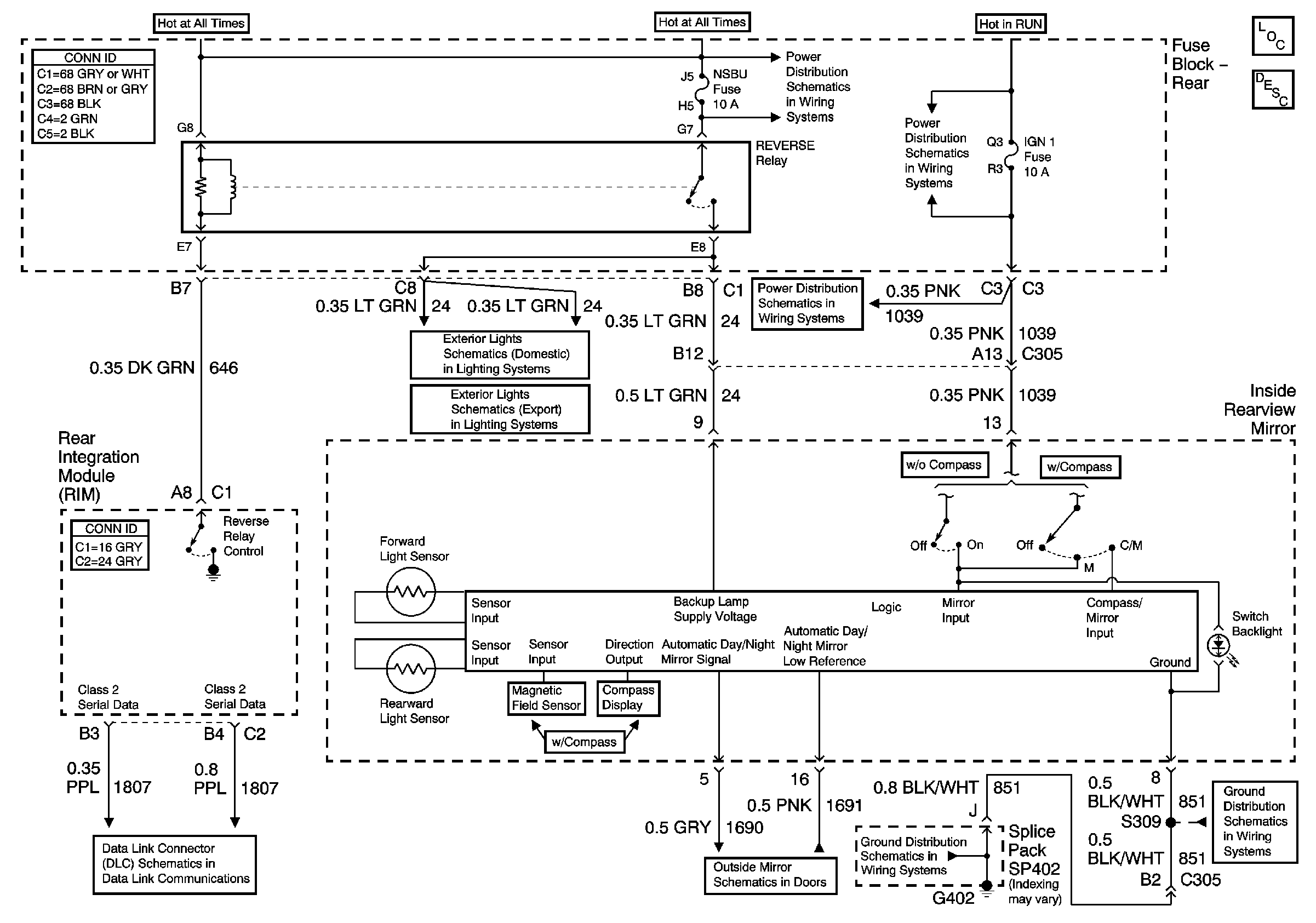
🢒 Inside Rearview Mirror Power and Ground
Inside Rearview Mirror Power and Ground
Master Electrical Component List
Inside Rearview Mirror Description and Operation
G402 1 of 2
G402 1 of 2
Heated Mirrors
Class 2 Serial Data Line (LH Drive) (1 of 2)
Backup Lights
Backup Lights
Battery Feed to Fuse Block - Rear
IGN 1 Fuse
Battery Feed to Fuse Block - Rear