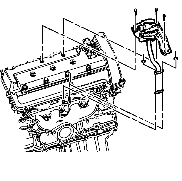
Notice: The stud must be reinstalled in the original location. The stud may remain attached to the nut when initially removed during exhaust manifold removal. In order to prevent exhaust leakage between the exhaust manifold and cylinder head the nut and stud combination must be reinstalled during exhaust manifold installation in the original location.
Important: DO NOT reuse the exhaust manifold gasket.
| 4.1. | Remove the coolant heater retaining bolt. |
| 4.2. | Remove coolant heater from the cylinder block. |
Important: DO NOT reuse the A.I.R. valve pipe gasket.
Notice: The stud must be reinstalled in the original location. The stud may remain attached to the nut when initially removed during exhaust manifold removal. In order to prevent exhaust leakage between the exhaust manifold and cylinder head the nut and stud combination must be reinstalled during exhaust manifold installation in the original location.
Important: DO NOT reuse the exhaust manifold gasket.
| 11.1. | Remove the coolant heater retaining bolt. |
| 11.2. | Remove coolant heater from the cylinder block. |