GM Service Manual Online
For 1990-2009 cars only

Air Conditioning (A/C) Compressor Installation Seville/DeVille


    Object Number: 522486  Size: SH

    Notice: Use the correct fastener in the correct location. Replacement fasteners must be the correct part number for that application. Fasteners requiring replacement or fasteners requiring the use of thread locking compound or sealant are identified in the service procedure. Do not use paints, lubricants, or corrosion inhibitors on fasteners or fastener joint surfaces unless specified. These coatings affect fastener torque and joint clamping force and may damage the fastener. Use the correct tightening sequence and specifications when installing fasteners in order to avoid damage to parts and systems.

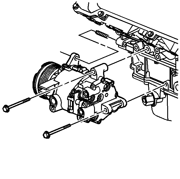
  1. Install the air conditioning compressor stud.
  2. Tighten
    Tighten the air conditioning compressor stud to 25 N·m (18 lb ft).

  3. Slide the air conditioning compressor over the air conditioning compressor stud and hold into position.
  4. Install the air conditioning compressor side bolts finger tight.

  5. Object Number: 522481  Size: SH
  6. Install the air conditioning compressor front bolt and nut finger tight.
  7. Tighten the air conditioning compressor bolts and nut in the following sequence:
  8. Tighten

    1. Tighten the air conditioning compressor front nut to 50 N·m (37 lb ft).
    2. Tighten the air conditioning compressor front bolt to 50 N·m (37 lb ft).
    3. Tighten the air conditioning compressor side upper bolt to 50 N·m (37 lb ft).
    4. Tighten the air conditioning compressor side lower bolt to 25 N·m (18 lb ft).

Air Conditioning (A/C) Compressor Installation Eldorado

Important: Install the generator prior to installing the A/C compressor, refer to Generator Installation .


    Object Number: 522502  Size: SH
  1. Install the air conditioning compressor rear mounting bracket.
  2. Notice: Use the correct fastener in the correct location. Replacement fasteners must be the correct part number for that application. Fasteners requiring replacement or fasteners requiring the use of thread locking compound or sealant are identified in the service procedure. Do not use paints, lubricants, or corrosion inhibitors on fasteners or fastener joint surfaces unless specified. These coatings affect fastener torque and joint clamping force and may damage the fastener. Use the correct tightening sequence and specifications when installing fasteners in order to avoid damage to parts and systems.

  3. Install the air conditioning compressor rear mounting bracket bolts.
  4. Tighten
    Tighten the air conditioning compressor rear mounting bracket bolt to 25 N·m (18 lb ft).


    Object Number: 522500  Size: SH
  5. Install the air conditioning compressor mounting stud.
  6. Tighten
    Tighten the air conditioning compressor mounting stud to 25 N·m (18 lb ft).

  7. Install the air conditioning compressor by sliding on the front mounting stud.
  8. Install the air conditioning compressor rear mounting bracket bolt to the engine block finger tight.

  9. Object Number: 522496  Size: SH
  10. Install the air conditioning compressor front mounting bolts and nut finger tight.
  11. Tighten the air conditioning compressor mounting bolts and nut in the following sequence:
  12. Tighten

    1. Tighten the air conditioning compressor front mounting nut to 50 N·m (37 lb ft).
    2. Tighten the air conditioning compressor front lower mounting bolt to 50 N·m (37 lb ft).
    3. Tighten the air conditioning compressor front upper mounting bolt to 50 N·m (37 lb ft).
    4. Tighten the air conditioning compressor rear mounting bracket bolt to 25 N·m (18 lb ft).