GM Service Manual Online
For 1990-2009 cars only
Makes
🢒
Cadillac
🢒
2002
🢒
Seville
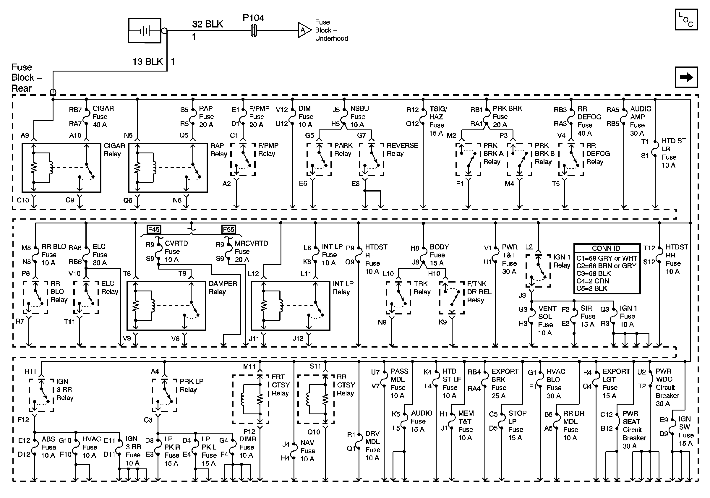
🢒 Battery Feed to Fuse Block - Rear
Battery Feed to Fuse Block - Rear
Battery Feed to Fuse Block -- Rear
Master Electrical Component List
Battery Feed to Fuse Block - Underhood
Battery Feed to Fuse Block - Underhood