GM Service Manual Online
For 1990-2009 cars only
Makes
🢒
Cadillac
🢒
2002
🢒
Seville
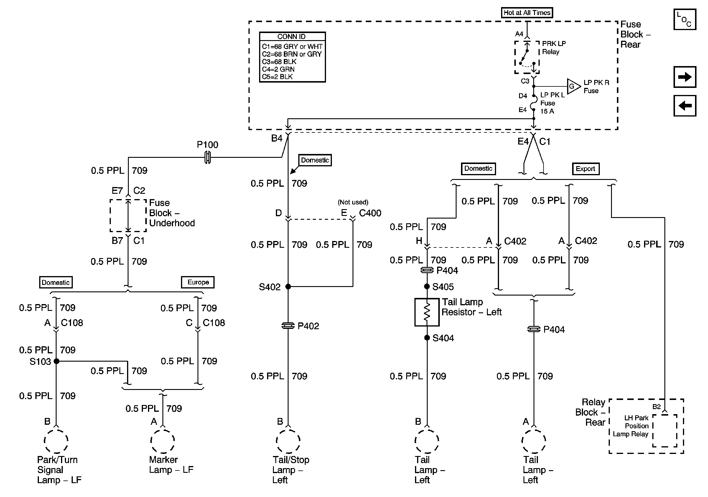
🢒 PRK LP Relay and LP PK L Fuse
PRK LP Relay and LP PK L Fuse
PRK LP Relay and LP PK L Fuse
Master Electrical Component List
LP PK R Fuse
IGN 1 Fuse
LP PK R Fuse