GM Service Manual Online
For 1990-2009 cars only
Makes
🢒
Cadillac
🢒
2002
🢒
Seville
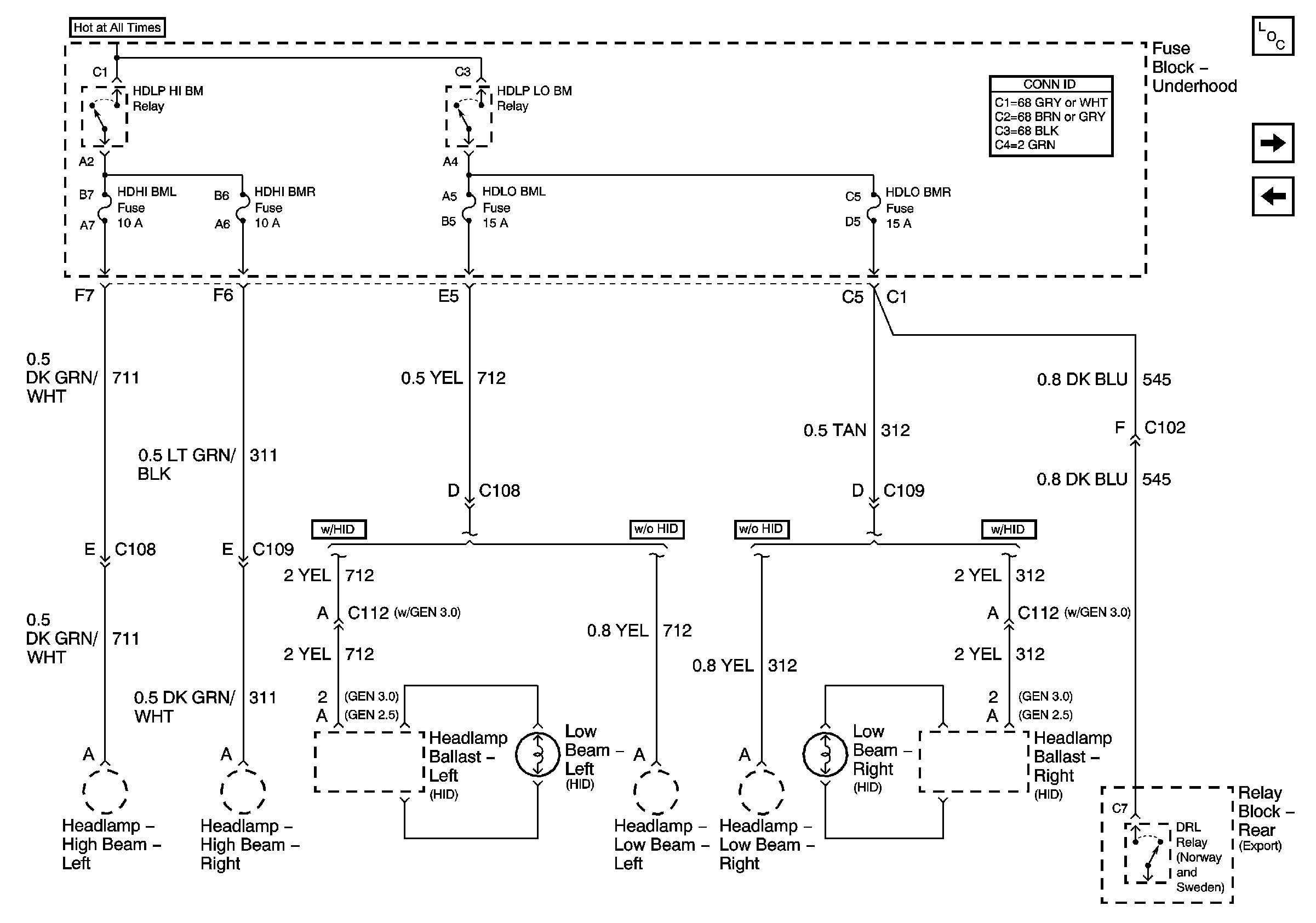
🢒 HDLP HI BM and HDLP LO BM Relays and HDHI BM and HDLO BM Fuses
HDLP HI BM and HDLP LO BM Relays and HDHI BM and HDLO BM Fuses
HDLP HI BM and HDLP LO BM Relays and HDHI BM and HDLO BM Fuses
Master Electrical Component List
EXPORT LGT Fuse
DIMR Fuse