GM Service Manual Online
For 1990-2009 cars only
Makes
🢒
Cadillac
🢒
2002
🢒
Seville
🢒 G201 2 of 3
G201 2 of 3
G201 2 of 5
Master Electrical Component List
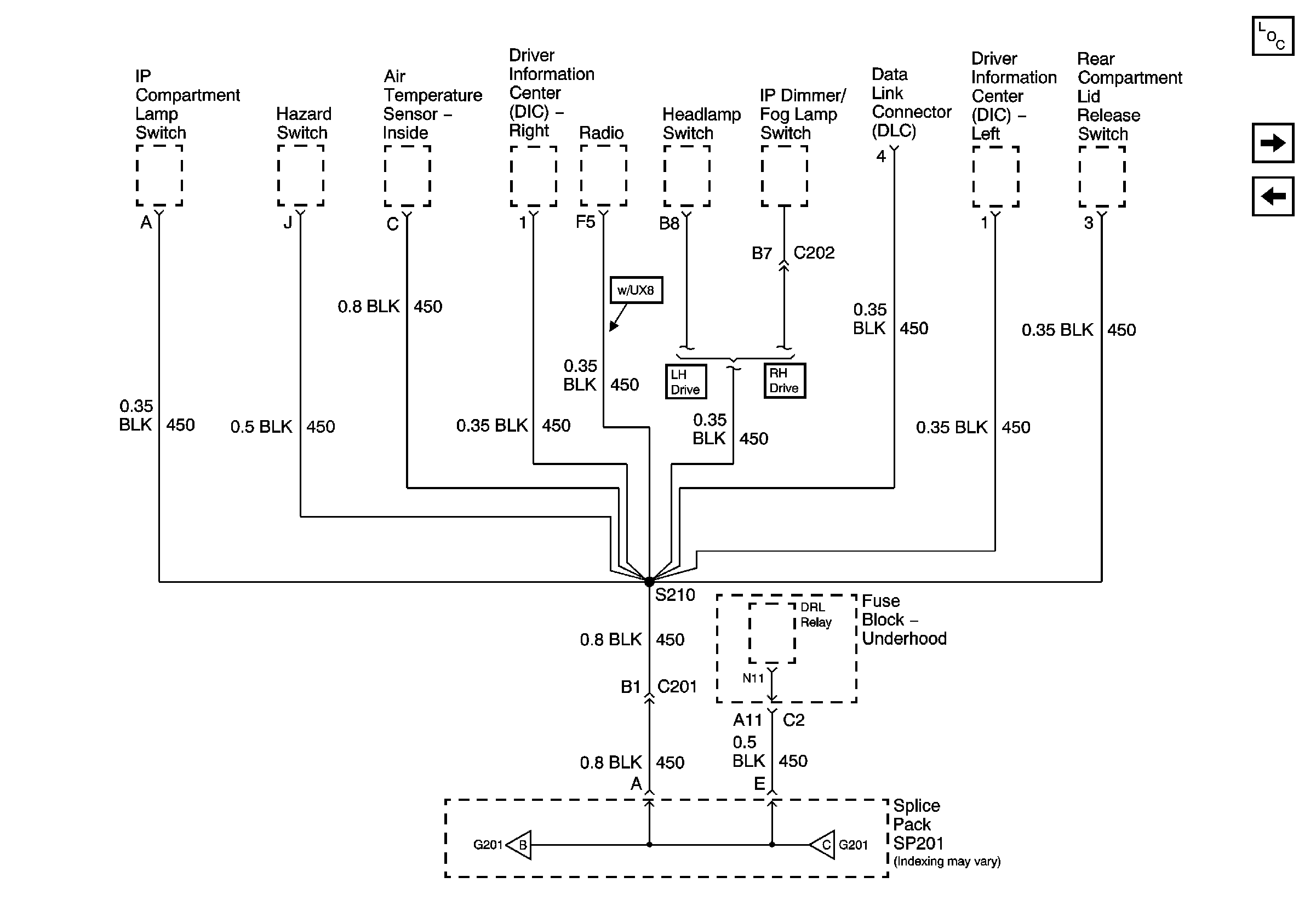
G201 3 of 5 (LH Drive)
G202 1 of 3
G201 3 of 5 (LH Drive)
G202 1 of 3