GM Service Manual Online
For 1990-2009 cars only
Makes
🢒
Cadillac
🢒
2002
🢒
Seville
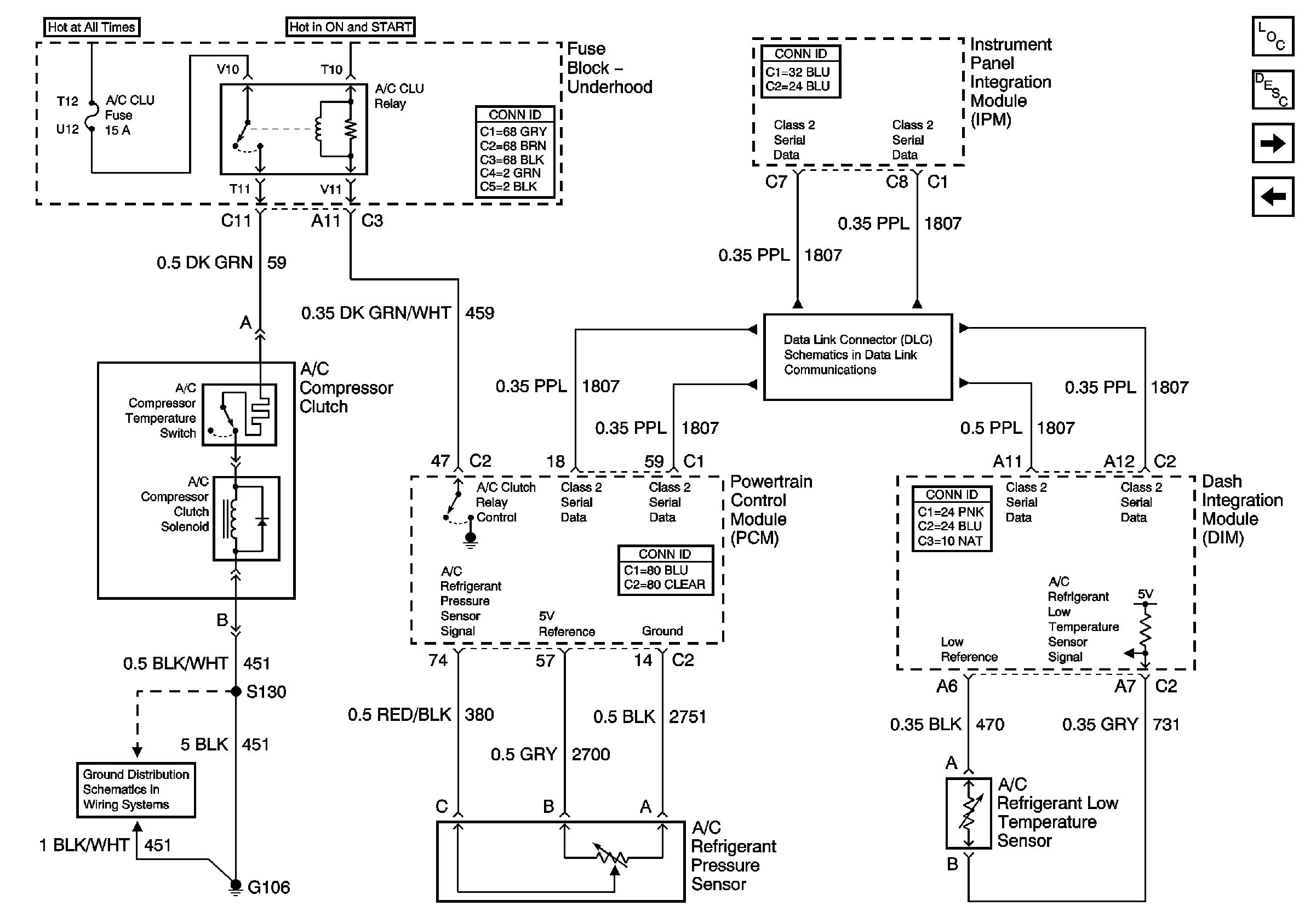
🢒 A/C Compressor Clutch
A/C Compressor Clutch
A/C Compressor Clutch
Master Electrical Component List
Air Delivery Description and Operation
Class 2 Serial Data Line (LH Drive) (1 of 2)
G106 and G108