GM Service Manual Online
For 1990-2009 cars only
Makes
🢒
Cadillac
🢒
2002
🢒
Seville
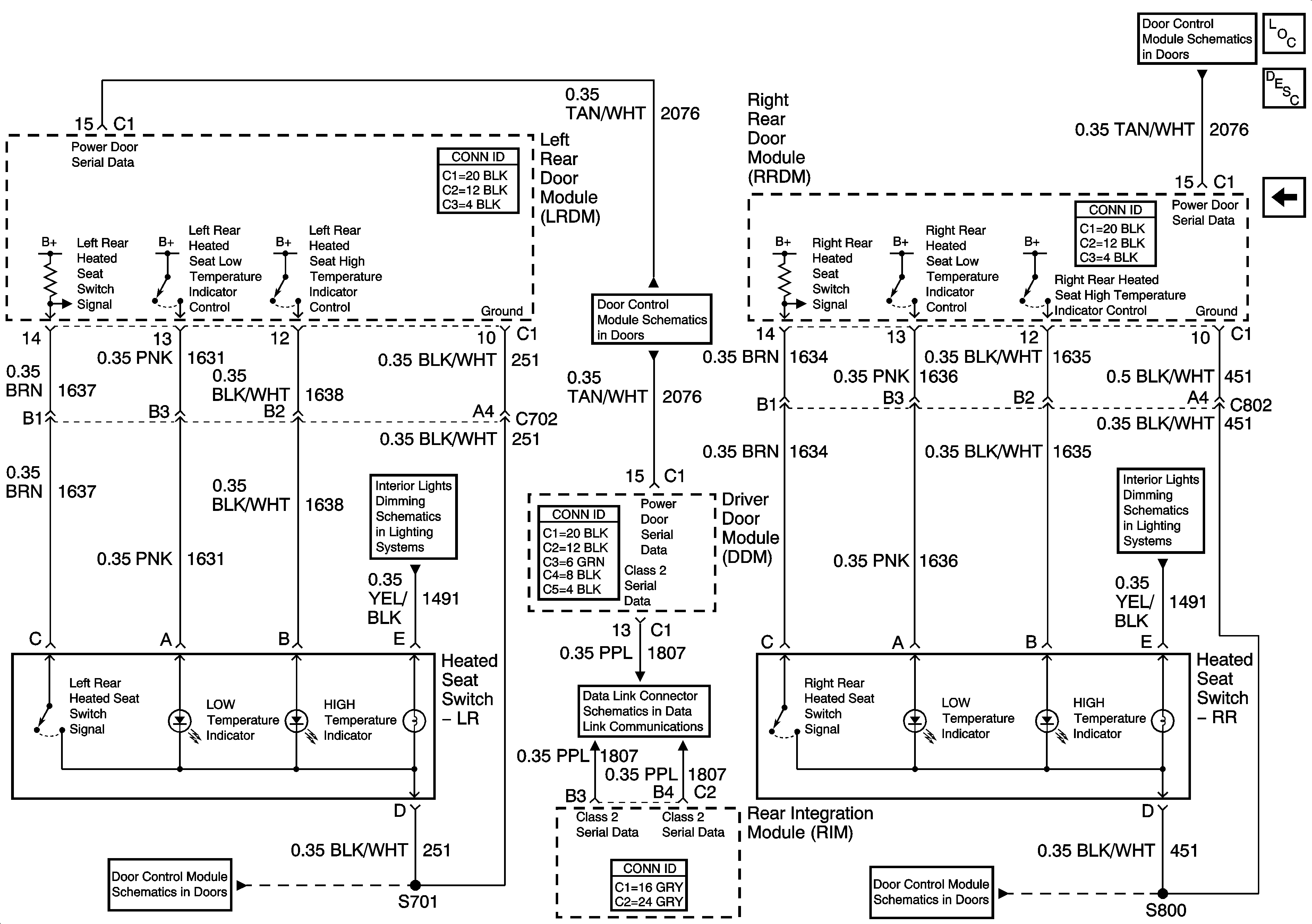
🢒 Heated Seat Switch - LR and RR
Heated Seat Switch - LR and RR
Heated Seat Switch - LR and RR
Master Electrical Component List
Heated Seats Description and Operation
Heated Seat Module - LR and RR
Rear Door Dimming
Class 2 Serial Data Line (LH Drive) (2 of 2)
Rear Door Dimming
Power Door Serial Data
Power Door Serial Data